Качественные детали и логистика
Оригинальные и аналоговые запчасти с доставкой по России, Казахстану и Беларуси
©2022 PartSell ООО "Система" ИНН 2463123282 ОГРН 1212400004838
Центральный офис: г. Красноярск, Академика Киренского, д.87, пом.4
Телефон: 8 (800) 777-65-74 Email: zakaz@partsell.ru
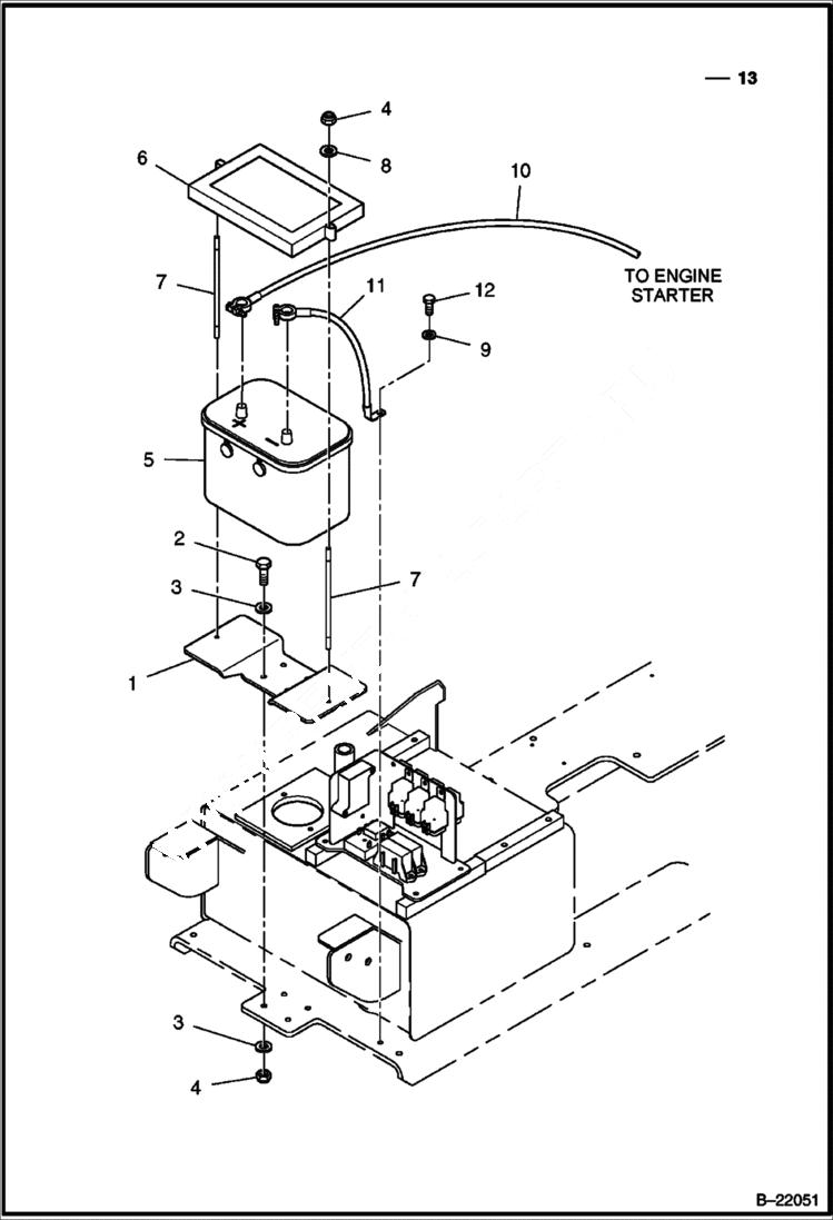
BATTERY
№
Артикул
Название
Примечание
Количество
1
IR59289629
SUPPORT battery
2
IR96705587
BOLT
3
IR96712898
WASHER Was IR96741038 - A
4
IR96704606
NUT
5
6686663D
BATTERY, WET 770CCA, BOBCAT Was IR54616081 - A
6
IR19295492
HOLDDOWN, BATTERY, W/CLIPS battery - Was IR58870627 - A
7
IR59266296
TIE DOWN battery
8
IR96712674
Washer
9
IR96714308
WASHER Was IR96741046 - A
10
IR59252312
BATTERY CABLE positive
11
IR59252320
BATTERY CABLE negative
12
IR96702279
13
IR59289397
CHARGER battery - optional
Выбрано товаров: 0