Качественные детали и логистика
Оригинальные и аналоговые запчасти с доставкой по России, Казахстану и Беларуси
©2022 PartSell ООО "Система" ИНН 2463123282 ОГРН 1212400004838
Центральный офис: г. Красноярск, Академика Киренского, д.87, пом.4
Телефон: 8 (800) 777-65-74 Email: zakaz@partsell.ru
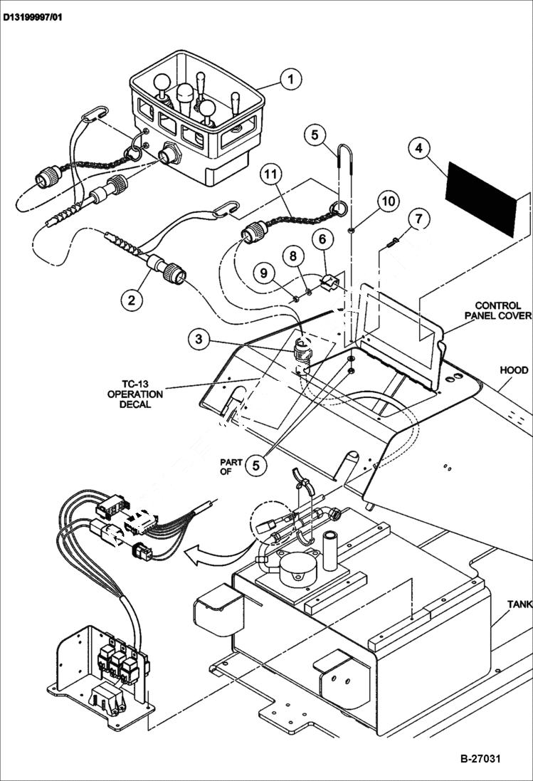
UMBILICAL CORD JOYSTICK (S/N 491511074-11079) (Optional)
№
Артикул
Название
Примечание
Количество
1
IR13249529
JOYSTICK control box
IR13222419
JOYSTICK unbilical cord
IR13243068
CAP with chain
IR59588418
CLAMP KIT
IR95923124
NUT
2
IR13199971
UMBILICAL CORD
3
IR13199963
HARNESS wire remote adapter
4
IR13171145
DECAL remote operation
5
6
IR13222401
CLIP HOLDER spring
7
IR96727961
BOLT
8
IR96738554
washer
9
IR96704580
LOCKNUT
10
11
Выбрано товаров: 0