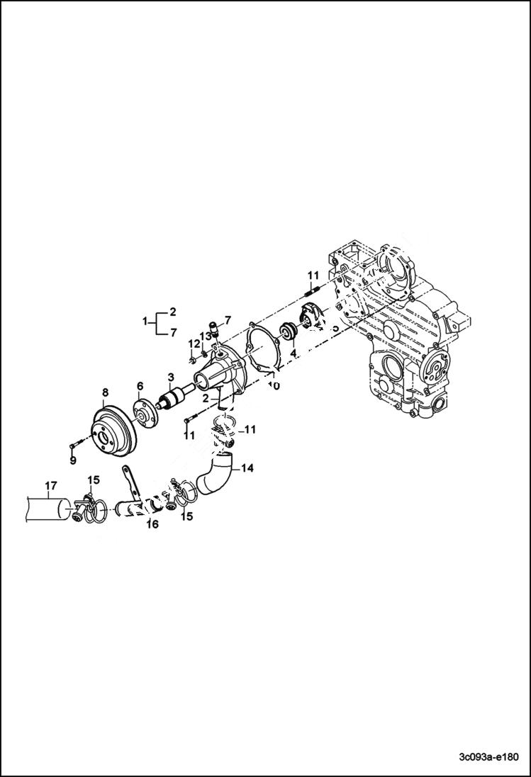
Запчасти Bobcat CT120 WATER PUMP GROUP POWER UNIT

Схема запчастей Bobcat CT120 - WATER PUMP GROUP POWER UNIT
FIT
1:1
100%

Артикул

Название

Примечание

Количество

1

6694668

PUMP, WATER

2

HOUSING WATER PUMP NLA - Order Ref. 1 - Was 6694669 - A

3

BEARING NLA - Order Ref. 1 - Was 6694581 - A

4

SEAL MECHANICAL NLA - Order Ref. 1 - Was 6694755 - A

5

FAN IMPELLAR NLA - Order Ref. 1 - Was 6694676 - A

6

FLANGE WATER PUMP NLA - Order Ref. 1 - Was 6694580 - A

7

HOSE WATER RETURN NLA - Order Ref. 1 - Was 6694672 - A

8

6694717

PULLEY FAN

9

6694025

BOLT

10

6697266

GASKET WATER PUMP

11

6693947

HEATER CASING

12

6694040

NUT

13

6694092

WASHER SPRING

14

6694571

HOSE 3 WATER

15

6694702

CLAMP HOSE

16

6694569

HOSE WATER

17

6694570

HOSE 2 WATER

Выбрано товаров: 17