Запчасти Bobcat CT120 SPEED CONTROL PLATE GROUP POWER UNIT

Схема запчастей Bobcat CT120 - SPEED CONTROL PLATE GROUP POWER UNIT
FIT
1:1
100%

Артикул

Название

Примечание

Количество

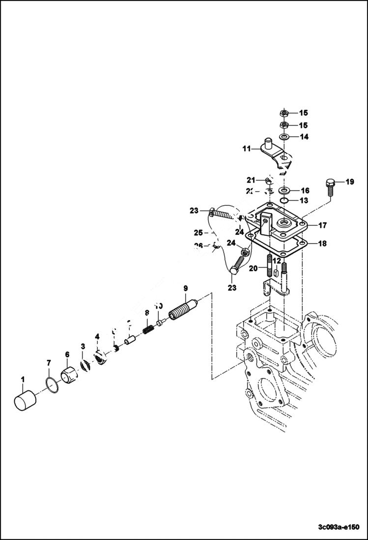
1

6694746

CAP

2

6694309

SPACER

3

6694514

GASKET

4

6694745

NUT

5

6694296

SCREW SET

6

6694743

NUT CAP

7

6694744

RING SNAP

8

6694657

SPRING, FUEL CONTROL

9

6694531

FRAME, MAIN BODY

10

6694656

PIN

11

6694709

LEVER, SPEED CONTROL

12

6694217

KEY

13

6694141

SEAL O RING

14

6697779

WASHER

15

6694033

NUT

16

6694596

WASHER PLAIN

17

6694549

PLATE, SPEED CONTROL

18

6697248

GASKET

19

6693946

BOLT

20

6694019

STUD

21

6694040

NUT

22

6694092

WASHER SPRING

23

6694301

BOLT stop

24

6694040

NUT

25

WIRE - NLA -

26

SEAL LEAD - NLA -

Выбрано товаров: 26