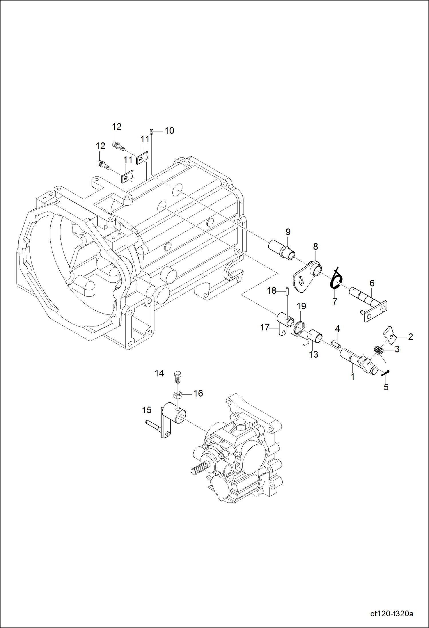
Запчасти Bobcat CT120 HST CONTROL 1 GROUP DRIVE TRAIN

Схема запчастей Bobcat CT120 - HST CONTROL 1 GROUP DRIVE TRAIN
FIT
1:1
100%

Артикул

Название

Примечание

Количество

1

6694845

SHAFT, LOCK

2

6697986

GEAR, ROCK

3

6697672

SPRING

4

6697493

PIN JOINT

5

6694204

PIN, SPLIT

6

6697404

LEVER CONNECTING

7

6696746

SPRING

8

6697987

GEAR, SECTOR

9

6697658

SPACER

10

6697047

BOLT

11

6696426

PLATE LOCK

12

6697053

BOLT

13

6697119

BUSHING

14

6695593

BOLT HST LEVER

15

6696162

LEVER JOINT

16

6694050

NUT

17

6695784

LEVER, CONNECTING

18

6694199

PIN SPRING

19

6696748

SPRING

Выбрано товаров: 19