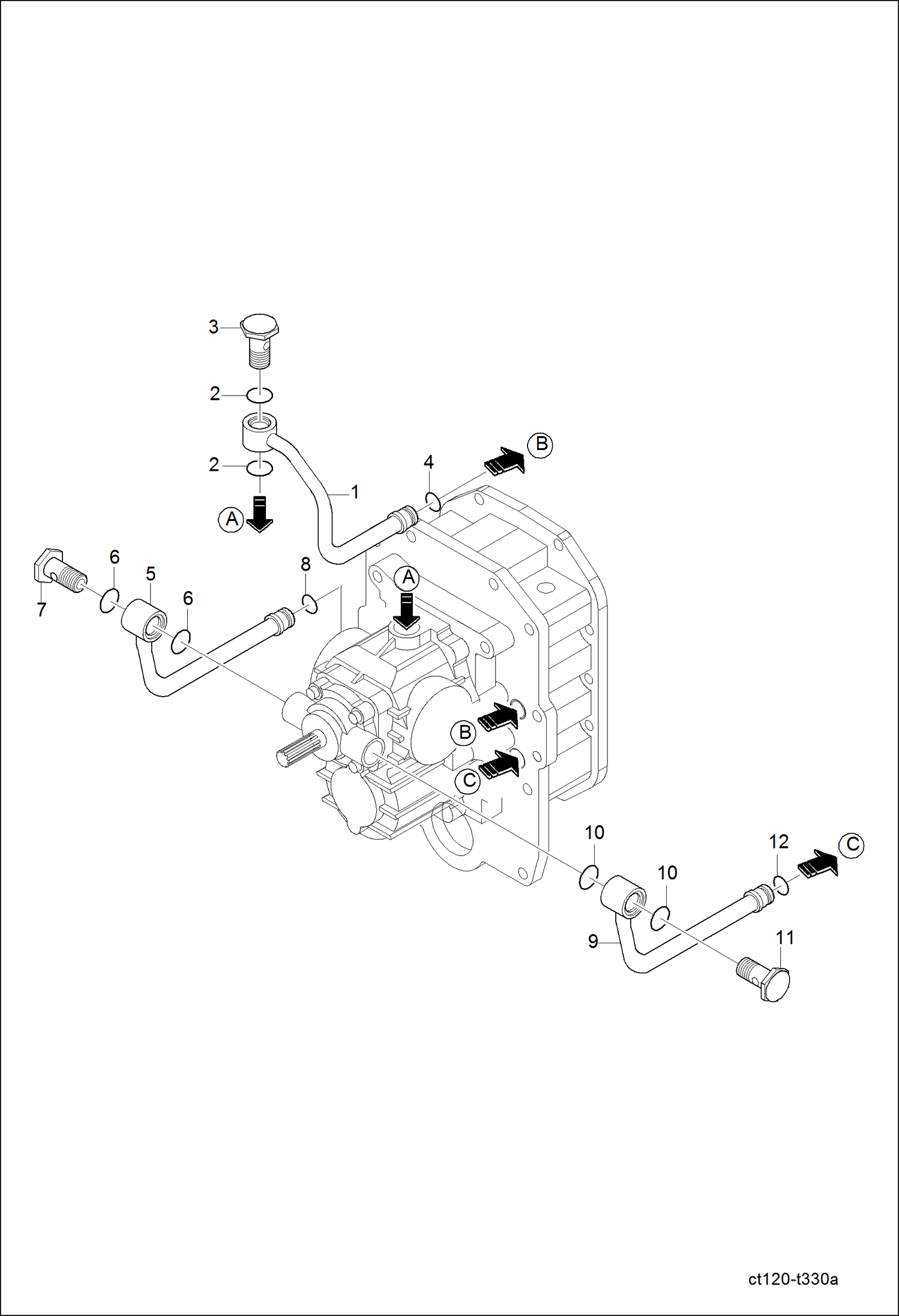
Запчасти Bobcat CT120 HST INNER HYDRAULIC LINE GROUP DRIVE TRAIN

Схема запчастей Bobcat CT120 - HST INNER HYDRAULIC LINE GROUP DRIVE TRAIN
FIT
1:1
100%

Артикул

Название

Примечание

Количество

1

6697741

TUBELINE, HST RETURN

2

6694137

O-RING

3

6697077

BOLT JOINT

4

6694133

SEAL O RING

5

6697742

TUBE HST RETURN

6

6694137

O-RING

7

6695595

BOLT JOINT

8

6694133

SEAL O RING

9

6697743

TUBE HST RETURN

10

6694137

O-RING

11

6695595

BOLT JOINT

12

6694133

SEAL O RING

Выбрано товаров: 12