Качественные детали и логистика
Оригинальные и аналоговые запчасти с доставкой по России, Казахстану и Беларуси
©2022 PartSell ООО "Система" ИНН 2463123282 ОГРН 1212400004838
Центральный офис: г. Красноярск, Академика Киренского, д.87, пом.4
Телефон: 8 (800) 777-65-74 Email: zakaz@partsell.ru
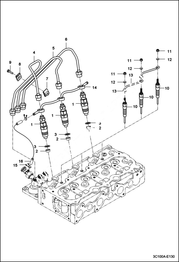
NOZZLE HOLDER GROUP
№
Артикул
Название
Примечание
Количество
1
7000227
HOLDER, NOZZLE Was 6695387 - A
2
6694765
SHIELD HEAT
3
6694764
GASKET
4
7000875
TUBE 1, INJECTION
5
7000876
TUBE 2, INJECTION
6
7000877
TUBE 3, INJECTION
7
6694302
CLAMP
8
6695729
CLAMP, PIPE
9
6694066
SCREW BOLT
10
7000890
PLUG,GLOW
11
7000811
NUT,FLANGE
12
6694077
WASHER PLAIN
13
7000891
CORD,GLOW PLUG
14
7000873
HOSE, OVER FLOW
15
6694298
CLAMP HOSE
7002808
CLAMP, HOSE
16
6697353
HOSE FUEL
Выбрано товаров: 0