Запчасти Bobcat CT122 VALVE ROCKER ARM GROUP POWER UNIT

Схема запчастей Bobcat CT122 - VALVE ROCKER ARM GROUP POWER UNIT
FIT
1:1
100%

Артикул

Название

Примечание

Количество

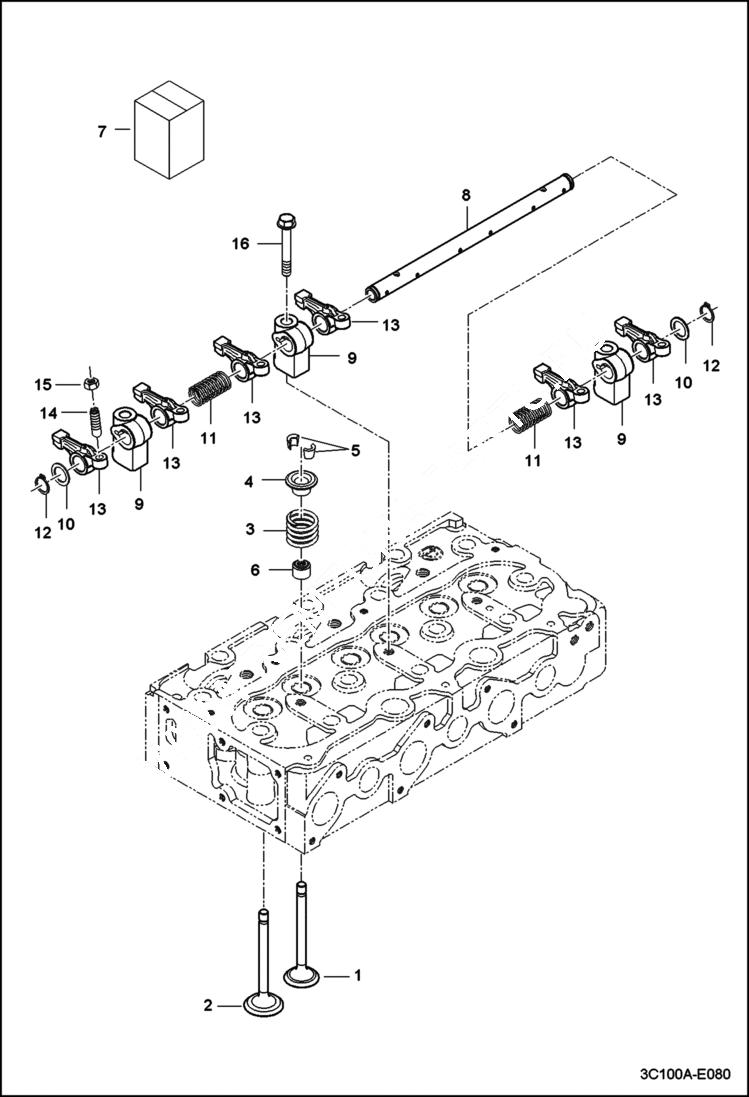
1

7000850

VALVE,INLET

2

7000851

VALVE,EXHAUST

3

6694470

SPRING VALVE

4

6694624

RETAINER, VALVE SPRING

5

6694625

LOCK, VALVE SPRING

6

6697617

SEAL, STEM VALVE

7

6694731

ARM ROCKER ASSY

8

6694732

ARM ROCKER ASSY

9

6694735

BRACKET ROCKET ARM

10

6694737

WASHER

11

6694734

SPRING ROCKER ARM

12

6694105

RING SNAP

13

6694733

ARM ROCKER

14

6694626

SCREW ADJUSTING

15

6694473

NUT ADJUSTING

16

6694722

BOLT ROCKER ARM SUPPORT

Выбрано товаров: 16