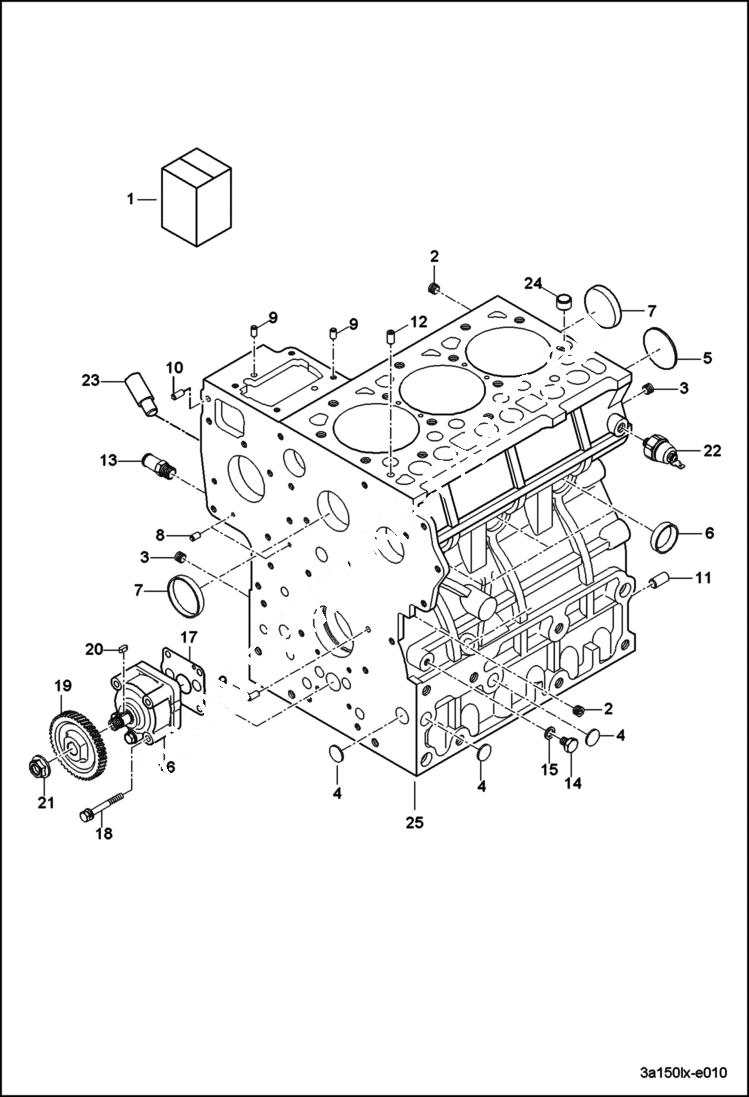
Запчасти Bobcat CT230 CYLINDER BLOCK GROUP POWER UNIT

Схема запчастей Bobcat CT230 - CYLINDER BLOCK GROUP POWER UNIT
FIT
1:1
100%

Артикул

Название

Примечание

Количество

1

7001126

ENGINE, DAEDONG 3A150LXBC S/N located on the block near the fuel injection pump

1

7001127

ENGINE, DAEDONG 3A150LWBC S/N located on the block near the fuel injection pump

2

6694757

PLUG

3

6694758

PLUG

4

6696444

PLUG

5

6696445

PLUG

6

6695696

CAP SEALING

7

6695697

CAP SEALING

8

6694165

PIN STRAIGHT

9

6694167

PIN STRAIGHT

10

6696389

PIN STRAIGHT

11

6694171

PIN STRAIGHT

12

6694307

PIN

13

6696122

PIPE, WATER

14

6696446

PLUG

15

6694299

GASKET

16

6696294

PUMP, OIL ENG

17

6697271

GASKET, OIL PUMP

18

6695490

BOLT

19

6696013

GEAR, OIL PUMP DRIVE

20

6694217

KEY

21

6695922

NUT FLANGE

22

6694601

SWITCH, PRESS OIL ENG

23

6694703

GUIDE

24

6696335

PIN

25

6695868

CYLINDER BLOCK ASSEMBLY Ref. 2-7

Выбрано товаров: 26