Запчасти Bobcat CT335 MANIFOLD GROUP POWER UNIT

Схема запчастей Bobcat CT335 - MANIFOLD GROUP POWER UNIT
FIT
1:1
100%

Артикул

Название

Примечание

Количество

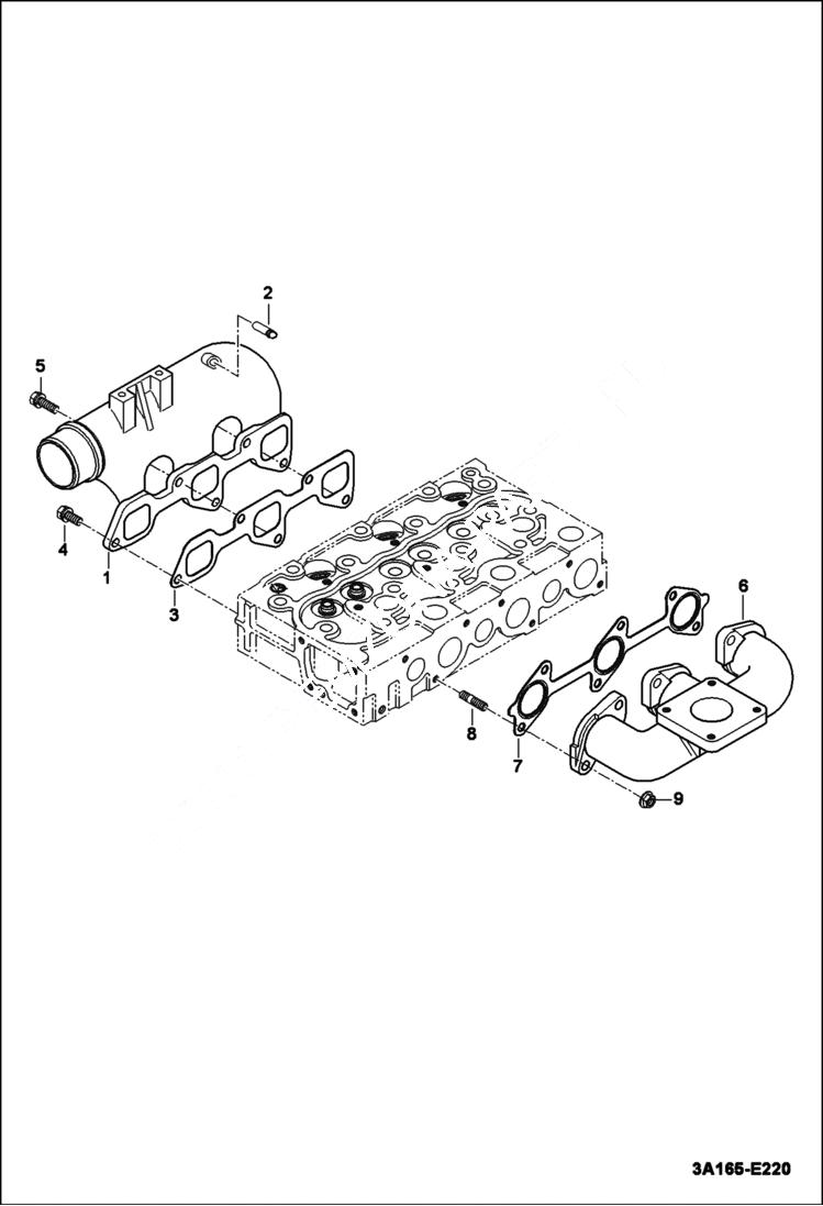
1

6696159

MANIFOLD INTAKE

2

6697147

CONNECTOR, AIR BREATHER

3

6697260

GASKET INTAKE MANIFOLD

4

6697055

BOLT

5

6697056

BOLT

6

6696222

MANIFOLD, EXHAUST

7

6697257

GASKET EXHAUST MANIFOLD

8

6694011

STUD

9

6694062

NUT FLANGE

Выбрано товаров: 9