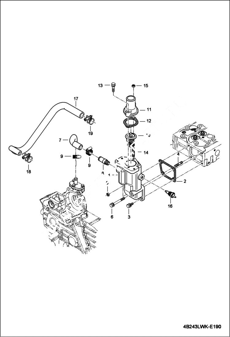
Запчасти Bobcat CT450 WATER HOSE GROUP POWER UNIT

Схема запчастей Bobcat CT450 - WATER HOSE GROUP POWER UNIT
FIT
1:1
100%

Артикул

Название

Примечание

Количество

1

7010303

FLANGE, WATER

2

6697242

GASKET

3

6695569

BOLT FLANGE Was 6697055 - B

4

6694011

STUD

5

7002174

NUT, FLANGE Was 6694062 - B

6

6695506

BOLT, W/WASHER

7

7010321

HOSE, WATER FORMED

8

6696122

PIPE, WATER

9

6695443

CLAMP, HOSE

10

7010319

THERMOSTAT

11

6695830

COVER THERMOSTAT

12

6697243

GASKET

13

7012672

BOLT, FLANGE Was 6693967

14

7010320

STUD

15

6694062

NUT FLANGE

16

6697627

SENDER, TEMP ENG

17

7001989

HOSE, HEATER FORMED

18

6695443

CLAMP, HOSE

19

7002217

CLAMP, HOSE

Выбрано товаров: 19