Качественные детали и логистика
Оригинальные и аналоговые запчасти с доставкой по России, Казахстану и Беларуси
©2022 PartSell ООО "Система" ИНН 2463123282 ОГРН 1212400004838
Центральный офис: г. Красноярск, Академика Киренского, д.87, пом.4
Телефон: 8 (800) 777-65-74 Email: zakaz@partsell.ru
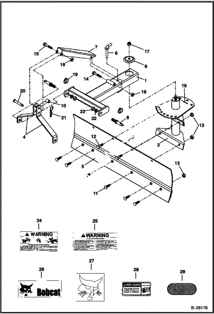
ANGLE BLADE (Frame & Blade) (3AB60 A1FZ)
№
Артикул
Название
Примечание
Количество
1
6689941
MOUNT
2
6689942
3
6689943
MOLDBOARD
4
6689944
BRACKET
5
6689945
CUTTING EDGE
6
6689946
PIN
7
6689947
CHANNEL
8
00603500
PIN Cat I - W/washer & nut
9
6689948
PLATE
10
6689949
SPACER
11
02886900
BOLT
12
17C824
BOLT 5
13
85D8
NUT, 5
14
17C1080
SCREW
15
17C1056
16
00695100
NUT
17
00003800
18
COTTERPIN NLA - Was 1F432 - A
19
2196
20
37107B12
21
37107B13
22
00012200
WASHER
23
00603600
24
999000
DECAL Warning - multiple hazard - blades
25
999200
DECAL Warning - multiple hazard
26
7109473
DECAL, LOGO BOBCAT AND HEAD
27
6732489
DECAL logo
28
00725746
DECAL translate safety manual
29
2738332
DECAL red reflector
Выбрано товаров: 0