Качественные детали и логистика
Оригинальные и аналоговые запчасти с доставкой по России, Казахстану и Беларуси
©2022 PartSell ООО "Система" ИНН 2463123282 ОГРН 1212400004838
Центральный офис: г. Красноярск, Академика Киренского, д.87, пом.4
Телефон: 8 (800) 777-65-74 Email: zakaz@partsell.ru
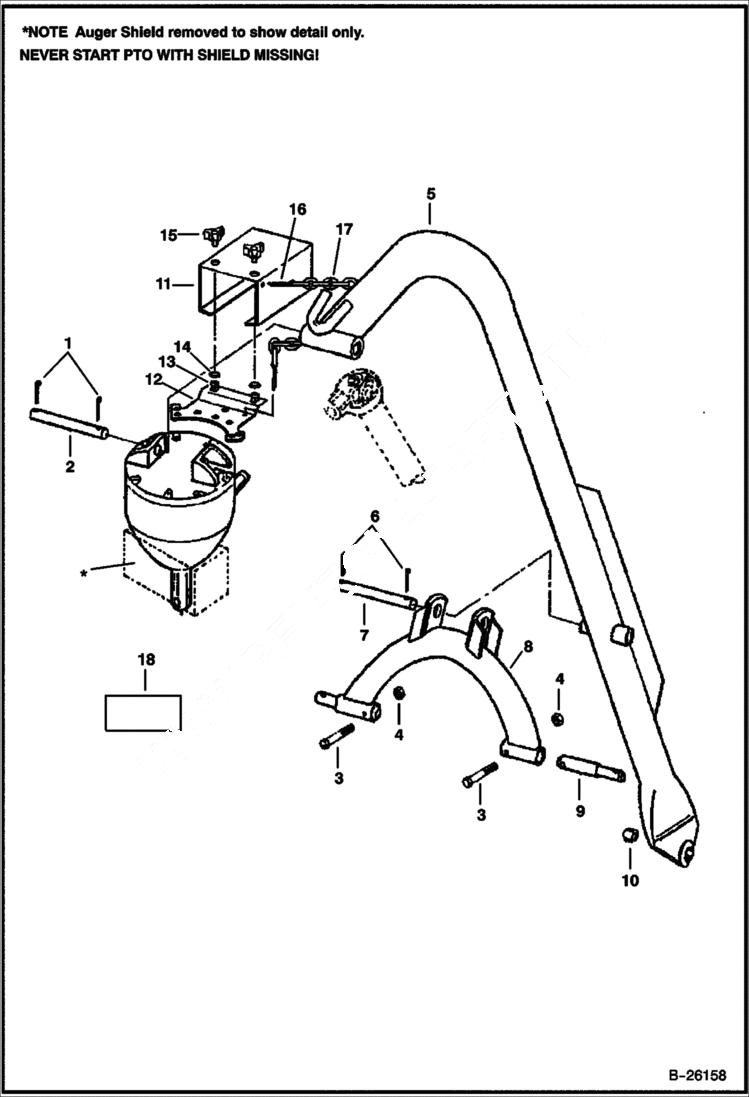
AUGER (Hitch & Boom) (3PTA A1G3)
№
Артикул
Название
Примечание
Количество
1
00000400
COTTER PIN
2
6689846
SHAFT
3
01403020
BOLT
4
85D6
NUT, 5
5
6689800
BOOM
6
00606000
7
01100010
PIN
8
FRAME NLA - Was 6689801 - A
9
01100100
PIN Cat I & II
10
6689847
BUSHING for Cat I use
11
6689802
SHIELD
12
6689803
13
26168
14
02961255
NUT
15
00769933
16
4405
17
6689848
CHAIN
Выбрано товаров: 0