Качественные детали и логистика
Оригинальные и аналоговые запчасти с доставкой по России, Казахстану и Беларуси
©2022 PartSell ООО "Система" ИНН 2463123282 ОГРН 1212400004838
Центральный офис: г. Красноярск, Академика Киренского, д.87, пом.4
Телефон: 8 (800) 777-65-74 Email: zakaz@partsell.ru
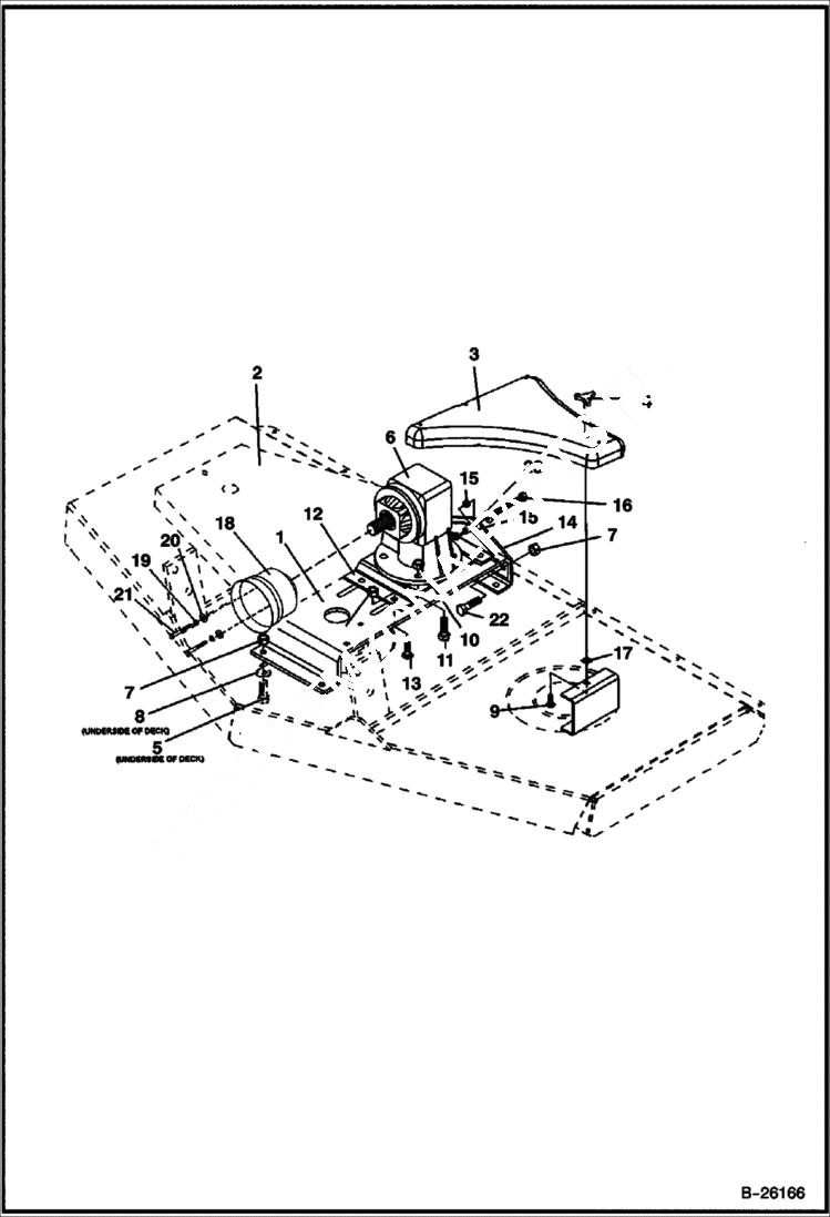
MOWER (Shields) (3FM60 A1FR) (3FM72 A1FS)
№
Артикул
Название
Примечание
Количество
1
6689830
PLATE gearbox mount
2
6689831
SHIELD belt - RH - 3FM60
6689832
SHIELD belt - RH - 3FM72
3
6689833
SHIELD belt - LH - 3FM60
6689834
SHIELD belt - LH - 3FM72
4
00769933
NUT plastic knob
5
17C824
BOLT 5
6
GEARBOX ASSY See Illustration MOWER/ B26165
7
85D8
NUT, 5
8
27E8
WASHER 10
9
26168
BOLT
10
00695100
NUT
11
00008300
12
6689835
PLATE gearbox slide
13
37C824
14
6689836
PLATE gearbox adjustment
15
61D6
NUT 5
16
17C672
17
02961255
18
6689837
SHIELD implement
19
00011700
WASHER
20
00023500
21
02958784
22
17C820
23
27E6
WASHER 5
Выбрано товаров: 0