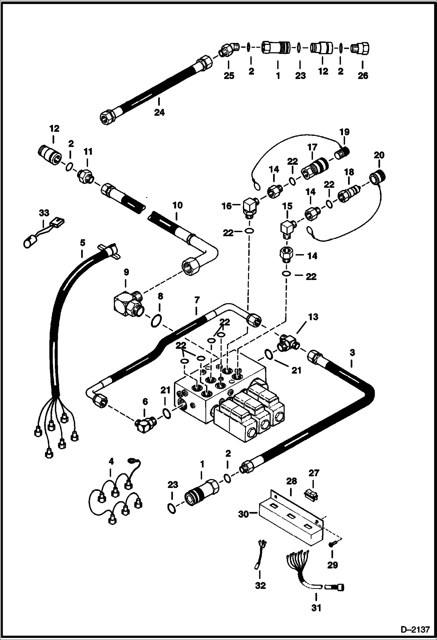
Запчасти Bobcat 3 POINT HITCH 3 POINT HITCH (Valve Assembly) (H702 6650) Loader

Схема запчастей Bobcat 3 POINT HITCH - 3 POINT HITCH (Valve Assembly) (H702 6650) Loader
FIT
1:1
100%

Артикул

Название

Примечание

Количество

1

6598758

COUPLER, POPPET FEMALE straight

2

79K10

O RING 10

3

6658484

HOSE

4

WIRE NLA - ground - Was 6658485 - A

5

WIRE ASSY. NLA - Was 6658486 - A

6

6658487

ELBOW

7

6657217

HOSE

8

79K12

O RING 10

9

6655147

ELBOW

10

6658488

HOSE

11

6658489

ADAPTER

12

6598757

COUPLER, POPPET MALE straight

13

6657218

TEE

14

6658490

ADAPTER

15

6658491

ELBOW

16

6658492

ELBOW

17

6648969

QUICK COUPLER Male - Was 6658493 - A

18

6648967

QUICK COUPLER Female - Was 6658494 - A

19

CAP NLA - Was 6658495 - A

20

PLUG NLA - Was 6658496 - A

21

79K8

O RING 10

22

79K6

O RING 10

23

48K16

O RING 10

24

6658497

HOSE

25

6658513

ELBOW

26

1312113

FTG Was 6658498 - A

27

SWITCH NLA - Was 6649323 - A

28

PLATE NLA - Was 6656160 - A

29

59G806

BOLT

30

6660640

SWITCH BOX

31

HARNESS NLA - Was 6656156 - A

32

WIRE NLA - Was 6660639 - A

33

WIRE NLA - Was 6657063 - A

Выбрано товаров: 33