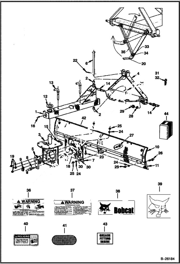
Запчасти Bobcat ANGLE BLADE ANGLE BLADE (Frame & Blade) (3AB96HD A1G2) Компактные тракторы

Схема запчастей Bobcat ANGLE BLADE - ANGLE BLADE (Frame & Blade) (3AB96HD A1G2) Компактные тракторы
FIT
1:1
100%

Артикул

Название

Примечание

Количество

1

6690264

FRAME

2

6689998

BUSHING

3

6689999

MOUNT

4

6690265

FRAME

5

6689988

PIVOT

6

6690000

PIN

7

6689990

PLATE

8

6689989

PIN

9

6689962

CLIP

10

6690001

MOLDBOARD

11

6690002

CUTTING EDGE

12

6690266

WASHER

13

6689946

PIN

14

00603500

PIN

15

165024

COTTER PIN

16

651062F

GREASE ZERK

17

00750952

BOLT

18

17C1056

BOLT Was W750311 - D

19

00695100

NUT

20

6689956

BRACKET

21

15B1600

WASHER

22

00755153

COTTER PIN

23

02845500

BOLT

24

00010300

WASHER

25

00010400

NUT

26

2A3101116

BOLT

27

2A3101120

BOLT

28

4625

WASHER

29

5B14140

NUT

30

00756077

WASHER

31

PIN cotter

32

PIN

33

27E8

WASHER 10

34

1F416

PIN

35

6689955

BRACKET

36

999000

DECAL Warning - multiple hazard - blades

37

999200

DECAL Warning - multiple hazard

38

7109473

DECAL, LOGO BOBCAT AND HEAD

39

6732489

DECAL logo

40

00725746

DECAL translate safety manual

41

1458392

DECAL red reflector

42

1458393

DECAL amber reflector

43

000678

DECAL grease

44

7125172

KIT quick attach hitch 96

Выбрано товаров: 44