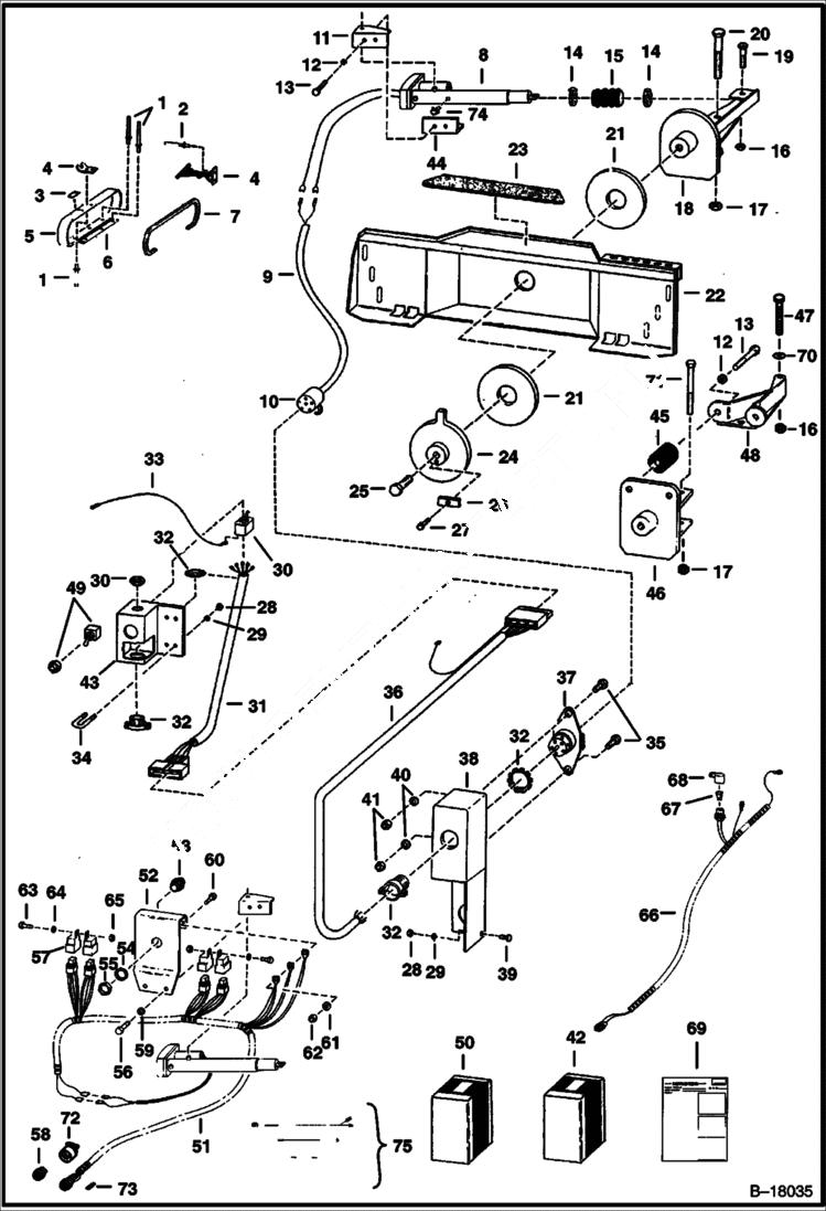
Запчасти Bobcat ANGLE BROOM ANGLE BROOM (1600 & 2000) Loader

Схема запчастей Bobcat ANGLE BROOM - ANGLE BROOM (1600 & 2000) Loader
FIT
1:1
100%

Артикул

Название

Примечание

Количество

1

6657352

RIVET

2

6657353

RIVET

3

6657354

DECAL

4

6657355

LATCH

5

6657356

COVER

6

6657357

HINGE

7

6657358

MOLDING

8

ACTUATOR NLA - Saginaw - Order 6664228 - Was 6657359 - A

8

KIT MOTOR NLA - Saginaw - Order 6664228 - Was 6660299 - A

8

KIT TUBE NLA - Saginaw - Order 6664228 - Was 6660300 - A

8

6664228

ACTUATOR Burr

8

6664229

MOTOR KIT Burr

8

6664230

TUBE KIT Burr

9

6657360

HARNESS for 4 post switch

9

6658141

HARNESS for 6 post switch

9

6659845

WIRE Less plug-in for 6658141

10

6648630

CONNECTOR 6 way

11

6657361

MOUNT

12

23E8

WASHER

13

17C816

BOLT

14

42H32

HS CLAMP5

15

6657362

BOOT

16

81D8

NUT

17

82D16

NUT

18

PLATE NLA - Order Ref. 12, 13, 16, 17, 45 - 48, 70 & 71 - Was 6657363 - A

19

17C840

BOLT

20

18C1696

BOLT

21

DISC NLA - Was 6657364 - A

22

6657365

MOUNT Bob-Tach

23

6569233

SAFETY TREAD trim to fit - Was 6657366 - A

24

6657367

PLATE

25

18C1632

BOLT

26

6657368

PLATE

27

17C616

BOLT 5

28

61D5

NUT

29

23E5

L WASHER

30

6655699

SWITCH 6 post

30

6659846

SWITCH 4 post

31

6656163

HARNESS for 6 post switch

31

6659847

HARNESS for 4 post switch

32

6649082

CONNECTOR

33

WIRE NLA - Was 6657369 - A

34

6648625

U-BOLT

35

17C412

BOLT 5

36

6649029

HARNESS

37

6648629

SOCKET

38

6660063

MOUNT Was 6648628 - A

39

17C516

BOLT

40

4E4

WASHER

41

61D4

NUT 5

42

6709152

KIT Auxiliary power - W/Ref. 66-69 Provides an isolated power supply & individual fuse for electric motor control

43

6655696

BOX

44

6659334

BRACKET

45

6648646

MOUNT

46

6659842

BRACKET

47

17C848

BOLT

48

6659843

MOUNT

49

SWITCH NLA - used with 4 post switch - Order Ref. 30 (6655699 switch) & 6681609 boot - Was 6655698 - A

50

6664856

KIT Wiring - W/Ref. 51 - 57 - For Multi Switch Handles

51

6706806

HARNESS

52

6664857

MOUNT

53

6664038

DUST CAP

54

6664037

WASHER

55

6664036

NUT

56

17C820

BOLT

57

6651975

SWITCH mag

58

6664034

CONNECTOR

59

4E8

WASHER

60

17C612

BOLT 5

61

4E6

WASHER

62

63D8

NUT

63

17C412

BOLT 5

64

4E4

WASHER

65

85D4

NUT 5

66

6707346

HARNESS auxiliary power - W/Ref. 67 & 68

67

6702444

FUSE 25A 5

68

6657306

CAP, FUSE

69

6722954

INSTRUCTIONS For Ref. 42 kit

70

25E22

WASHER

71

18C16112

BOLT

72

6669286

CLAMP with saddles

73

6664041

SOCKET female

74

6671009

GREASE ZERK

75

6714216

HARNESS ASSY See Serviceletter

Выбрано товаров: 84