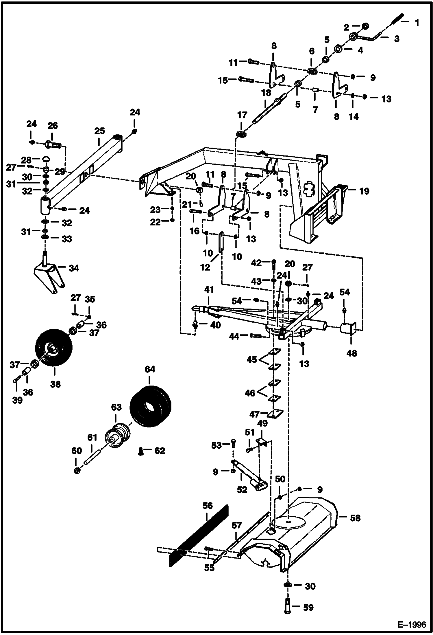
Запчасти Bobcat ANGLE BROOM INDUSTRIAL BROOM (0687) Loader

Схема запчастей Bobcat ANGLE BROOM - INDUSTRIAL BROOM (0687) Loader
FIT
1:1
100%

Артикул

Название

Примечание

Количество

1

GRIP NLA - Was 6649022 - A

2

7D16

NUT Was 6654890 - A

3

HANDLE NLA - Was 6655722 - A

4

6654892

WASHER

5

6655723

BUSHING

6

6655724

SWIVEL

7

BUSHING NLA - Was 6655725 - A

8

6655726

LINK

9

60D8

NUT

10

BUSHING NLA - Was 6655727 - A

11

17C856

BOLT

12

6655728

LINK

13

86D10

NUT

14

23E10

WASHER

15

17C1072

BOLT

16

17C1056

BOLT

17

6650177

SWIVEL

18

6650173

BOLT adjusting

19

FRAME NLA - Was 6655729 - A

20

3D20

NUT

21

6648587

PIN, SNAP

22

62D12

NUT

23

23E12

WASHER Was 4E12 - A

24

10H35

FITTING, GREASE 10

25

6648586

AXLE

26

6648588

BOLT

27

1F632

PIN

28

6648585

CAP

29

4D10

NUT

30

6648566

WASHER

31

6648583

BEARING

32

6648584

RACE

33

6648582

SEAL

34

6648580

FORK L.H.

34

FORK NLA - R.H. - Order 6648580 - Was 6648581 - A

35

3D12

NUT slotted - used with Ref. 27

35

59D12

NUT nylock

36

6648576

BUSHING

37

25E27

WASHER Was 6648577 - A

38

6648578

TIRE ASSY

39

BOLT NLA - used with 3D000012B slotted nut & cotter pin - order 17C012144B bolt & 59D000012B nylock nut - Was 6648579 - A

39

17C12144

BOLT Use with 59D000012B nylock nut

40

6508653

BALL

41

6655730

A-FRAME

42

17C1248

BOLT

43

23E12

WASHER Was 4E12 - A

44

17C1040

BOLT

45

6648591

SHIM

46

6648590

SHIM

47

6648639

BLOCK mounting

48

6648589

PIPE END

49

6657361

MOUNT Was 6655731 - A

50

23E8

WASHER

51

17C812

BOLT

52

6510634

JACK Was 6655732 - A

53

17C848

BOLT

54

11H25

FITTING10

55

17C516

BOLT

56

FLAP NLA - Was 6655714 - A

57

6655715

BACKING PLATE

58

SHROUD NLA - Was 6655716 - A

59

6648570

BOLT

60

6659942

RETAINER

61

6659939

BEARING roller

62

6500879

VALVE STEM Was 6659943 - A

63

6659940

RIM

64

6659941

TIRE

Выбрано товаров: 67