Запчасти Bobcat ANGLE BROOM ANGLE BROOM (48 7000) Loader

Схема запчастей Bobcat ANGLE BROOM - ANGLE BROOM (48 7000) Loader
FIT
1:1
100%

Артикул

Название

Примечание

Количество

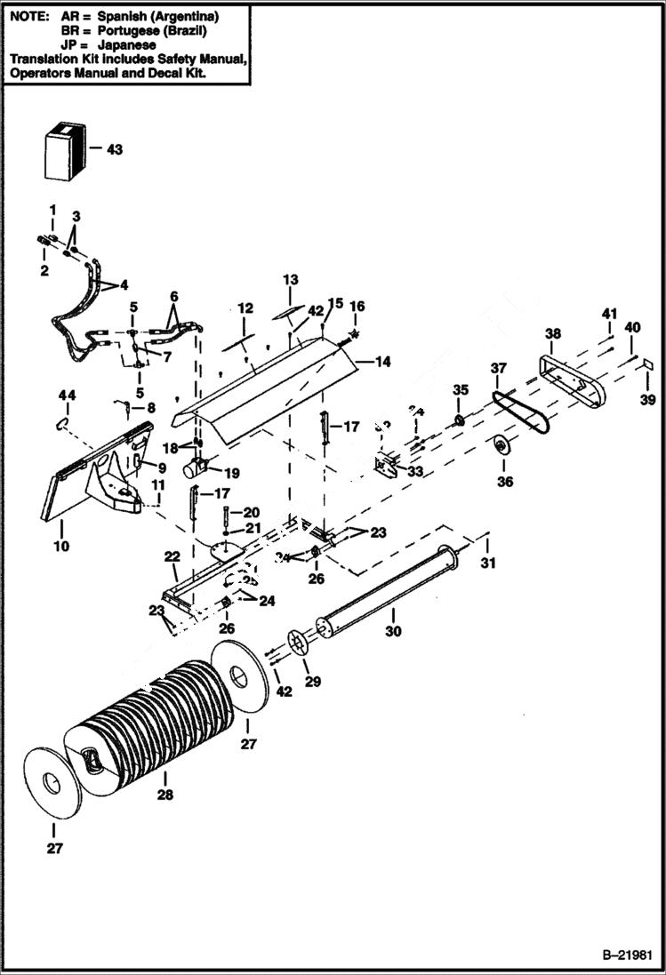
1

6674688

COUPLER, FF MALE straight

2

6672960

COUPLER, FF FEMALE straight

3

15KB1012

FITTING, HYD CONNECTOR

4

6907312

HOSE

5

19KB1008

FITTING, HYD TEE Was 19KB01010B - B

6

6907311

HOSE

7

6673485

CHECK VALVE

8

6907025

PIN

9

6907080

BUSHING

10

6907043

MOUNT

11

10H25

FITTING, GREASE 5

12

6657351

DECAL, STEP See Illustration ANGLE BROOM/ NA6230

12

7130136

DECAL, STEP See Illustration ANGLE BROOM/ NA6230 - no-text

13

6708822

DECAL, WARNING See Illustration ANGLE BROOM/ NA6230

13

7130144

DECAL, WARNING See Illustration ANGLE BROOM/ NA6230 - no-text

14

6907024

SHIELD

15

31C616

SCREW Was 35C616 - B

16

6809831

DECAL, LOGO BOBCAT AND HEAD Was 6727323 - B

17

6907035

SUPPORT

18

15KB1010

FITTING, HYD CONNECTOR

19

MOTOR See Illustration ANGLE BROOM/ NA2782

20

17C1288

BOLT

21

25E27

WASHER

22

6907001

FRAME

23

17C516

BOLT

24

85D8

NUT, 5

25

85D12

NUT, 5

26

6907015

BEARING

27

6648797

BRUSH, POLY STRAIGHT 21 3/8'' factory option

27

6988130

WAFER, 21 3/8' EARTHFORCE FLAT

27

6989018

BRISTLE, POLY HD 21 3/8'' FLAT

28

6652802

BRUSH, POLY CONVOLUTED 21 3/8'' factory option

28

6988131

WAFER, 21 3/8' EARTHFORCE CONVOLUTED

28

6989020

BRISTLE, POLY HD 21 3/8'' CONVOLUTED

28

6989142

BRISTLE, POLY/WIRE 21 3/8'' CONVOLUTED

28

BRUSH, STEEL CONVOLUTED 21 3/8'' NLA - factory option - Order 6989019 bristle - Was 6648798 - A

28

6989019

BRISTLE, WIRE 21 3/8'' CONVOLUTED

29

6708813

COVER

30

6907009

SHAFT

31

7J3104

KEY, SQ 1/4 X 1-1/4

32

7109336

MOUNT,MOTOR motor - Was 6907033 - A

33

83D6

NUT 5

34

31C612

BOLT Was 35C612 - B

35

6679706

SPROCKET

36

6679707

SPROCKET

37

6907087

CHAIN service

37

CHAIN LOCK NSS

38

6907040

SHIELD

39

6673400

DECAL, WARNING See Illustration ANGLE BROOM/ NA6230

39

7130140

DECAL, WARNING See Illustration ANGLE BROOM/ NA6230 - no-text

40

35C648

BOLT

41

31C616

SCREW 1.00'' long - Was 31C000620B - B

41

31C612

BOLT .75'' long - Was 35C612 - B

42

84G3710

SCREW Was 84G003716B - B

43

6958987AR

TRANSLATION KIT

43

6958987BR

TRANSLATION KIT

43

6958988AR

DECAL KIT

43

6958988BR

DECAL KIT

43

6958988JP

DECAL KIT

44

7108310

STRIP rubber

Выбрано товаров: 60