Запчасти Bobcat ANGLE BROOM ANGLE BROOM (Brushes & Housing) (84 0550 & 2314) Loader

Схема запчастей Bobcat ANGLE BROOM - ANGLE BROOM (Brushes & Housing) (84 0550 & 2314) Loader
FIT
1:1
100%

Артикул

Название

Примечание

Количество

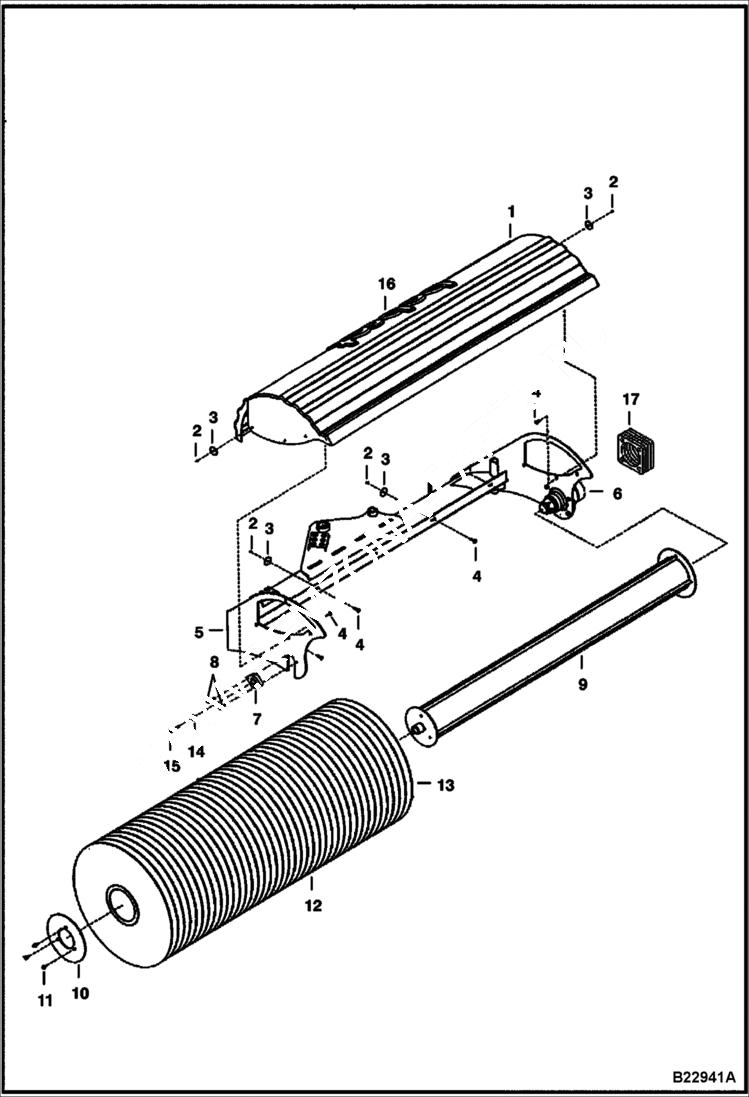
1

6714195

COVER

2

NUT NLA - acorn cap - Order 57D6 nut & Ref. 4 (37C620 bolt) - Used W/NLA 37C616 bolt - 25,4 mm (1'') long - Was 48D6 - B

2

57D6

NUT 5 flanged hex - Use W/Ref. 4 (37C620 bolt) 31,75 mm (1.25'') long

3

6705232

WASHER

4

BOLT NLA - 25,4 mm (1'') long - Order 37C620 bolt & Ref. 2 (57D6 nut) - Used W/NLA 7140309 nut - Was 37C616 - B

4

37C620

BOLT 31,75 mm (1.25'') long - Use W/Ref. 2 (57D6 nut)

5

MAIN FRAME See Illustration ANGLE BROOM/ NA6301

6

DRIVE ASSY See Illustration ANGLE BROOM/ B15170

6

DRIVE ASSY See Illustration ANGLE BROOM/ MS2620

6

DRIVE ASSY See Illustration ANGLE BROOM/ NA2782

7

6672623

BEARING, FLANGE

8

31C620

BOLT Was 35C628 - B

9

6714201

SHAFT, BROOM

9

7130505

SHAFT

9

7197592

DRUM

10

6714171

PLATE

11

31C616

SCREW Was 35C616 - B

12

6672506

BRUSH, POLY CONVOLUTED 32'' factory option

12

6988135

WAFER, 32' EARTHFORCE CONVOLUTED

12

6989023

BRISTLE, POLY HD 32'' CONVOLUTED

12

BRUSH, POLY/STEEL CONVOLUTED 32'' NLA - Order 6989143 bristle - Was 6904619 - A

12

BRUSH, STEEL CONVOLUTED 32'' NLA - factory option - broom should not use more than 1/2 steel brushes - Order 6989022 bristle - Was 6672505 - A

12

6989022

BRISTLE, WIRE 32'' CONVOLUTED

12

6989143

BRISTLE, POLY/WIRE 32'' CONVOLUTED

13

6672504

BRUSH, POLY FLAT 32'' factory option - installed on ends of brush assembly

13

6988134

WAFER, 32' EARTHFORCE FLAT installed on ends of brush assembly

13

6989021

BRISTLE, POLY HD 32'' FLAT installed on ends of brush assembly

14

6905688

WASHER Was 28E8 - B

15

31C820

BOLT Was 35C820 - B

16

7115620

DECAL logo

17

7121368

SPACER service only - see Serviceletter 5181 - 5 March 2007

Выбрано товаров: 0