Запчасти Bobcat ANGLE BROOM ANGLE BROOM (Hydraulic Motor) (68 2310, A5CD & 2313) Loader

Схема запчастей Bobcat ANGLE BROOM - ANGLE BROOM (Hydraulic Motor) (68 2310, A5CD & 2313) Loader
FIT
1:1
100%

Артикул

Название

Примечание

Количество

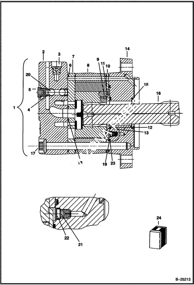
1

MOTOR See Illustration ANGLE BROOM/ B25213A - NLA - Model 161-0083-004 - Ref. 2-23 - Order 7120100 motor - Was 6685134 - A

2

6689697

HOUSING, MOTOR Was 6685552 - A

3

6668079

PLUG, MOTOR

4

6513533

SPRING

5

6668089

PLUG, MOTOR

6

6678000

SEAL

7

6678001

PLATE valve

8

6682859

GEROLER

9

6651542

BALL, STEEL

10

6678003

PLATE balancing - outer

11

6678004

PLATE balancing - inner

12

6682860

O-RING

13

6678006

RING, BACK-UP

14

6685553

FLANGE mounting

15

6664815

SEAL, OIL

16

6682862

SHAFT, DRIVE drive

17

6682863

BOLT

18

6669452

O-RING

19

6682897

SEAL

20

6664428

BALL, STEEL

21

PLUG, MOTOR NLA - orifice - Was 6850005 - A

22

6850004

SCREEN

23

6685069

RING,BACK-UP back-up

24

6685070

KIT, SEAL COMPLETE W/Ref. 6, 12, 13, 15, 18 & 19

Выбрано товаров: 24