Качественные детали и логистика
Оригинальные и аналоговые запчасти с доставкой по России, Казахстану и Беларуси
©2022 PartSell ООО "Система" ИНН 2463123282 ОГРН 1212400004838
Центральный офис: г. Красноярск, Академика Киренского, д.87, пом.4
Телефон: 8 (800) 777-65-74 Email: zakaz@partsell.ru
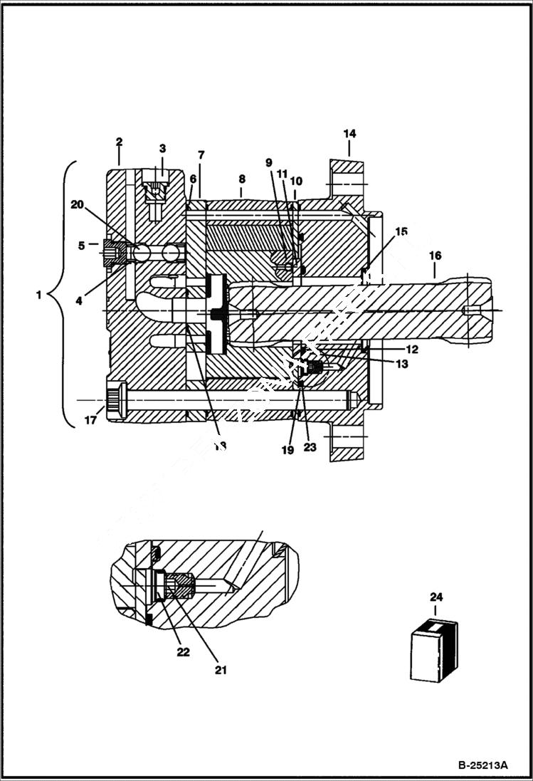
ANGLE BROOM (Hydraulic Motor) (68 2310, A5CD & 231311101 - 14992)
№
Артикул
Название
Примечание
Количество
1
7120100
MOTOR, DRIVE HYD Model 161-0083-005 or 161-0094-005 - Ref. 2-23
2
6689697
HOUSING, MOTOR
3
6668079
PLUG, MOTOR
4
6513533
SPRING
5
6668089
6
6678000
SEAL
7
6689698
PLATE valve
8
GEROLER NSS - Order Ref. 1
9
6651542
BALL, STEEL
10
6689700
PLATE balancing - outer
11
6678004
PLATE balancing - inner
12
6682860
O-RING
13
6678006
RING, BACK-UP
14
6685553
FLANGE
15
6664815
SEAL, OIL
16
6682862
SHAFT, DRIVE
17
6682863
BOLT
18
6669452
19
6682897
20
6664428
21
PLUG, MOTOR NLA - orifice - Was 6850005 - A
22
6850004
SCREEN
23
6685069
RING,BACK-UP
24
6689679
SEAL KIT Ref. 3, 5, 6, 12, 13, 15, 18 & 19
Выбрано товаров: 0