Запчасти Bobcat ASPHALT HEATER & GENERATOR ASPHALT HEATER & GENERATOR (Engine) (Fuel System) Loader

Схема запчастей Bobcat ASPHALT HEATER & GENERATOR - ASPHALT HEATER & GENERATOR (Engine) (Fuel System) Loader
FIT
1:1
100%

Артикул

Название

Примечание

Количество

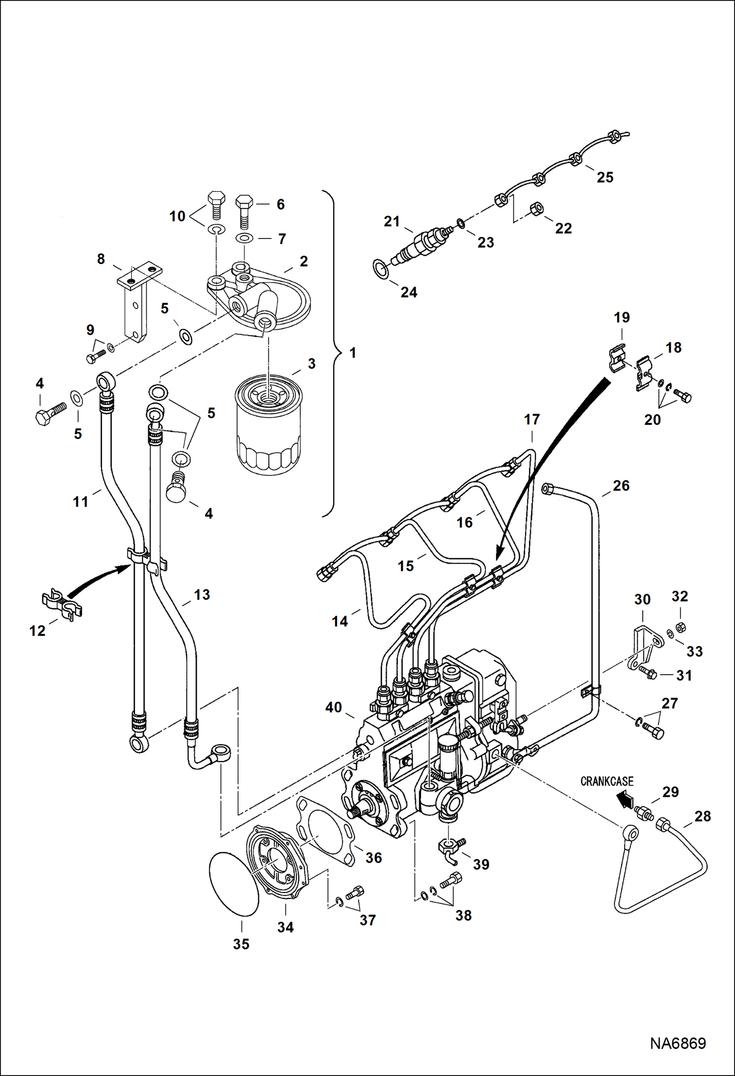
1

7026451

FILTER, FUEL ASSY

2

7026452

BRACKET, FILTER

3

7026453

FILTER, FUEL

4

7026564

BOLT, EYE

5

7026121

WASHER, SEALING

6

7027117

PLUG, BLEED

7

7026120

WASHER, SEALING

8

7026422

BRACKET, FILTER

9

7026547

BOLT, W/WASHER

10

7026508

BOLT, W/WASHER

11

7026418

HOSE, FUEL

12

7026416

CLAMP, PIPE

13

7026539

HOSE, FUEL

14

7026419

PIPE, FUEL INJ NO 1 CYL

15

7026420

PIPE, FUEL INJ NO 2 CYL

16

7026421

PIPE, FUEL INJ NO 3 CYL

17

7026307

PIPE, FUEL INJ NO 4 CYL

18

7026567

CLAMP, PIPE

19

7026566

CLAMP, PIPE

20

7026559

BOLT, W/WASHER

21

7026439

NOZZLE, FUEL INJ See Illustration ASPHALT HEATER & GENERATOR/ NA6870

22

7026536

NUT

23

7026537

GASKET

24

7026538

GASKET, NOZZLE INJ

25

7026417

PIPE, FUEL

26

7026415

PIPE, FUEL

27

7026545

BOLT, W/WASHER

28

7026528

PIPE, OIL

29

7026386

CONNECTOR

30

7026413

BRACKET, PUMP INJ

31

7026350

BOLT

32

7026511

NUT

33

7026517

WASHER, SPRING

34

7026414

FLANGE, MOUNTING

35

7026122

O-RING

36

7026299

GASKET

37

7026509

BOLT, W/WASHER

38

7026550

BOLT, W/WASHER

39

7026298

FITTING, BANJO

40

PUMP, FUEL INJ See Illustration ASPHALT HEATER & GENERATOR/ NA6868

Выбрано товаров: 40