Качественные детали и логистика
Оригинальные и аналоговые запчасти с доставкой по России, Казахстану и Беларуси
©2022 PartSell ООО "Система" ИНН 2463123282 ОГРН 1212400004838
Центральный офис: г. Красноярск, Академика Киренского, д.87, пом.4
Телефон: 8 (800) 777-65-74 Email: zakaz@partsell.ru
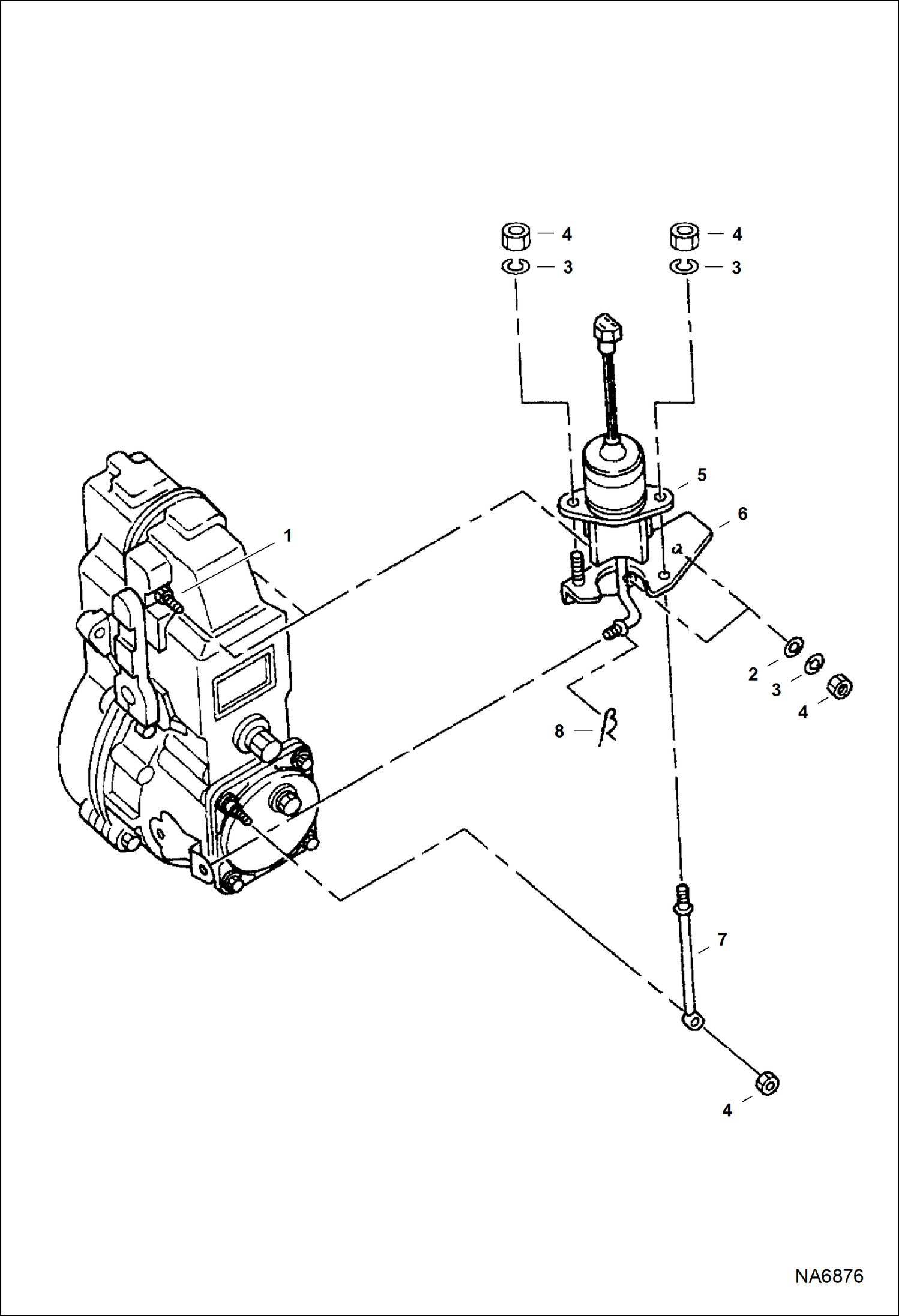
ASPHALT HEATER & GENERATOR (Engine) (Speed Control System)
№
Артикул
Название
Примечание
Количество
1
7026443
STUD
2
7026515
WASHER, FLAT
3
7026516
WASHER, SPRING
4
7026510
NUT, LOCK
5
7026433
SOLENOID, FUEL
6
7026430
BRACKET
7
7026431
ROD, PROP UP
8
7026432
CLIP
Выбрано товаров: 0