Качественные детали и логистика
Оригинальные и аналоговые запчасти с доставкой по России, Казахстану и Беларуси
©2022 PartSell ООО "Система" ИНН 2463123282 ОГРН 1212400004838
Центральный офис: г. Красноярск, Академика Киренского, д.87, пом.4
Телефон: 8 (800) 777-65-74 Email: zakaz@partsell.ru
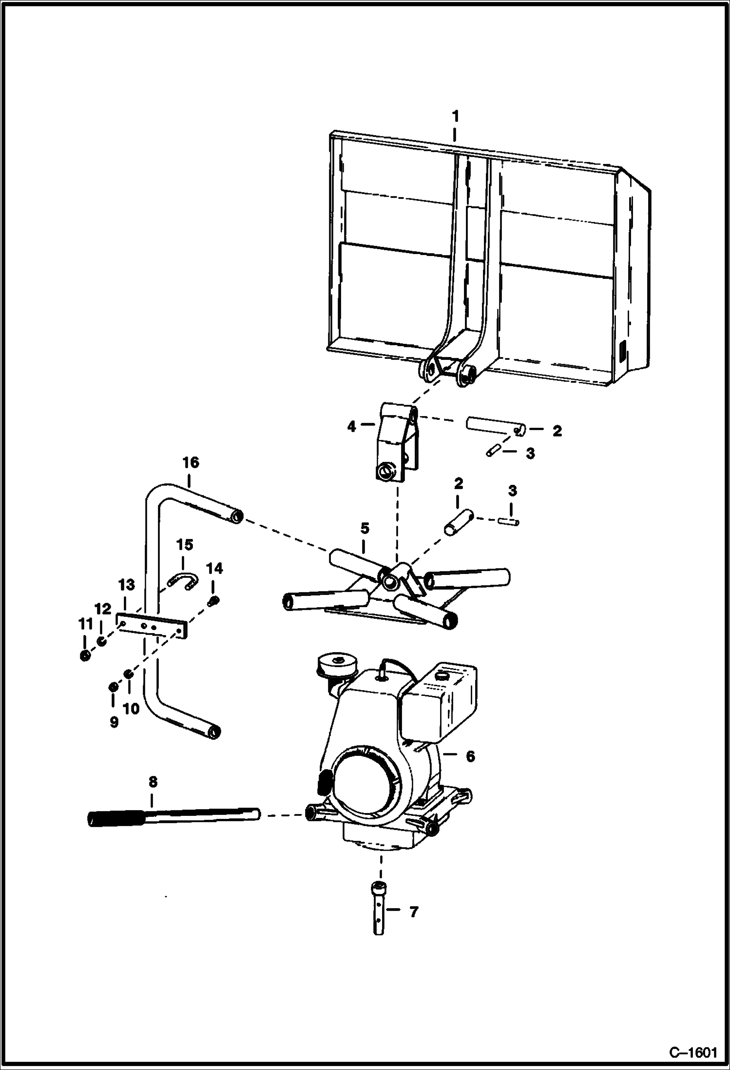
AUGER (Ground Hog Auger Mtg)
№
Артикул
Название
Примечание
Количество
1
6541836
FRAME
2
6505198
PIN
3
675351
ROLL PIN
4
6541845
PIVOT
5
6541849
BRACKET pivot
6
POWER UNIT NLA - Purchase from Ground Hog Inc.
7
6542611
SHAFT adapter
8
6548182
HANDLE
9
12D10
NUT
10
17E10
WASHER
11
61D5
12
4E5
13
6541856
MOUNT throttle
14
45G1012
SCREW
15
6541855
U-BOLT
16
6541853
TUBE mounting
Выбрано товаров: 0