Запчасти Bobcat AUGERS AUGER (Lowe) Loader

Схема запчастей Bobcat AUGERS - AUGER (Lowe) Loader
FIT
1:1
100%

Артикул

Название

Примечание

Количество

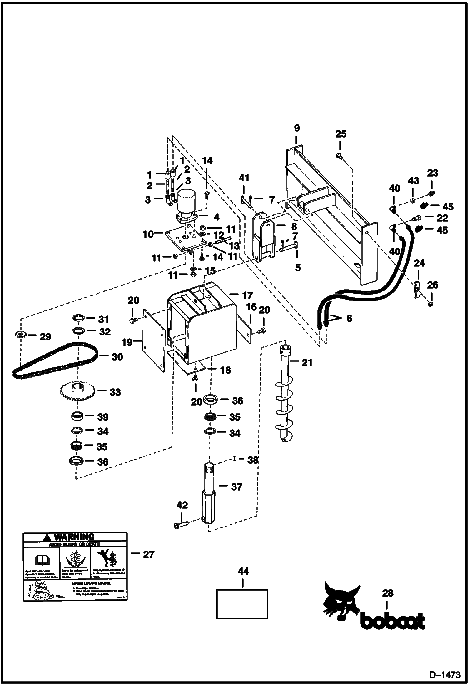
1

37F4

UNION

2

5K444

NIPPLE

3

535276

ELBOW

4

MOTOR See Illustration AUGER/ PI2494

5

6513442

PIN

6

1564255

HYD HOSE

7

1F828

PIN

8

6513668

LINK connector

9

BRACKET NLA - Was 6513670 - A

10

6513667

PLATE

11

61D5

NUT

12

25E20

WASHER

13

6011899

ROD adjusting

14

17C828

BOLT

15

24E8

WASHER

16

6513666

COVER rear

17

6513663

HOUSING drive

18

6513664

COVER lower - Was 6513665 - A

19

6513664

COVER front

20

17C612

BOLT 5

21

AUGER See Illustration AUGER/ B17855 SALES

22

6598756

QUICK COUPLER female - poppet

22

6672960

COUPLER, FF FEMALE straight - Was 6667807 - A

22

25K40026

O RING 10 Use with poppet coupler

23

6598755

QUICK COUPLER male - poppet

23

6674688

COUPLER, FF MALE straight - Was 6667808 - A

23

6679841

SEAL Was 6672026 - A

24

6502773

CLAMP

25

17C624

BOLT 5

26

81D6

NUT

27

6701001

DECAL Was 6567255 - A

28

6567987

DECAL, LOGO BOBCAT AND HEAD

29

6513425

SPROCKET motor

30

6531427

CHAIN Was 6513427 - A

30

6632387

LINK Was 6515191 - B

31

24H10

LOCKNUT

32

26H10

WASHER

33

6531426

SPROCKET Was 6513426 - A

34

6513441

SEAL

35

6648054

BEARING Was 655233B - A

36

654152

CUP

37

SHAFT NLA - round - W/ 1/2'' (12,7mm) hole - Order 6599982 & 6652833 - Was 6645243 - A

37

SHAFT NLA - round - W/ 7/8'' (22,23mm) hole - 17'' (431,8mm) long - Order 6652833 Qty. 1 & 6648054 Qty. 2 - Was 6599664 - A

37

6652833

SHAFT round - W/ 7/8'' (22,23mm) hole - 13'' (330,2mm) long

37

6632176

SHAFT hex

38

7J7106

KEY

39

6513669

SPACER

40

29F3

ELBOW

41

6660415

PIN

42

6599982

BUSHING Needed when using auger W/1/2'' (12,7mm) hole and drive shaft W/ 7/8'' (22,23mm) hole

43

6565265

ORIFICE .142'' (3,61mm) Dia

44

6651416

DECAL

45

6669284

ADAPTER, COUPLER Use to convert to flush face couplers

Выбрано товаров: 53