Запчасти Bobcat AUGERS AUGER (Hydraulic Motor) (Model 10 8799) Loader

Схема запчастей Bobcat AUGERS - AUGER (Hydraulic Motor) (Model 10 8799) Loader
FIT
1:1
100%

Артикул

Название

Примечание

Количество

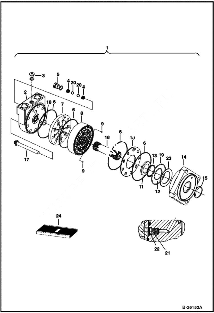
1

6676704

MOTOR, HYD Model 168-0004-002 or 168-0004-004 - Ref. 2-23

2

6677999

HOUSING Use W/168-0004-002 motor

2

6689697

HOUSING, MOTOR Use W/168-0004-004 motor

3

6668079

PLUG, MOTOR

4

6651537

SPRING

5

6668089

PLUG, MOTOR

6

6678000

SEAL

7

6678001

PLATE valve - Use W/168-0004-002 motor

7

6689698

PLATE valve - Use W/168-0004-004 motor

8

6678002

GEROLER Use W/168-0004-002 motor

8

6689699

GEROLER Use W/168-0004-004 motor

9

6651542

BALL, STEEL

10

6678003

PLATE balancing - outer - Use W/168-0004-002 motor

10

6689700

PLATE balancing - outer - Use W/168-0004-004 motor

11

6678004

PLATE balancing - inner

12

6678005

O-RING Use W/168-0004-002 motor

12

6682860

O-RING Use W/168-0004-004 motor

13

6678006

RING, BACK-UP

14

6678007

FLANGE Use W/168-0004-002 motor

14

6689701

FLANGE Use W/168-0004-004 motor

15

6664815

SEAL, OIL

16

6678008

SHAFT drive

17

6678009

BOLT

18

6669452

O-RING

19

SEAL NLA - Use W/168-0004-002 motor - Order 7010224 - Was 6678010 - A

19

6682897

SEAL Use W/168-0004-004 motor

20

6664428

BALL, STEEL

21

PLUG, MOTOR NLA - orifice - Was 6850005 - A

22

6850004

SCREEN

23

6685069

RING,BACK-UP belleville disc - Use W/168-0004-004 motor

24

6678011

SEAL KIT Use W/168-0004-002 motor

24

6689679

SEAL KIT Use W/168-0004-004 motor - Ref. 3, 5, 6, 12, 13, 15, 18 & 19

Выбрано товаров: 32