Качественные детали и логистика
Оригинальные и аналоговые запчасти с доставкой по России, Казахстану и Беларуси
©2022 PartSell ООО "Система" ИНН 2463123282 ОГРН 1212400004838
Центральный офис: г. Красноярск, Академика Киренского, д.87, пом.4
Телефон: 8 (800) 777-65-74 Email: zakaz@partsell.ru
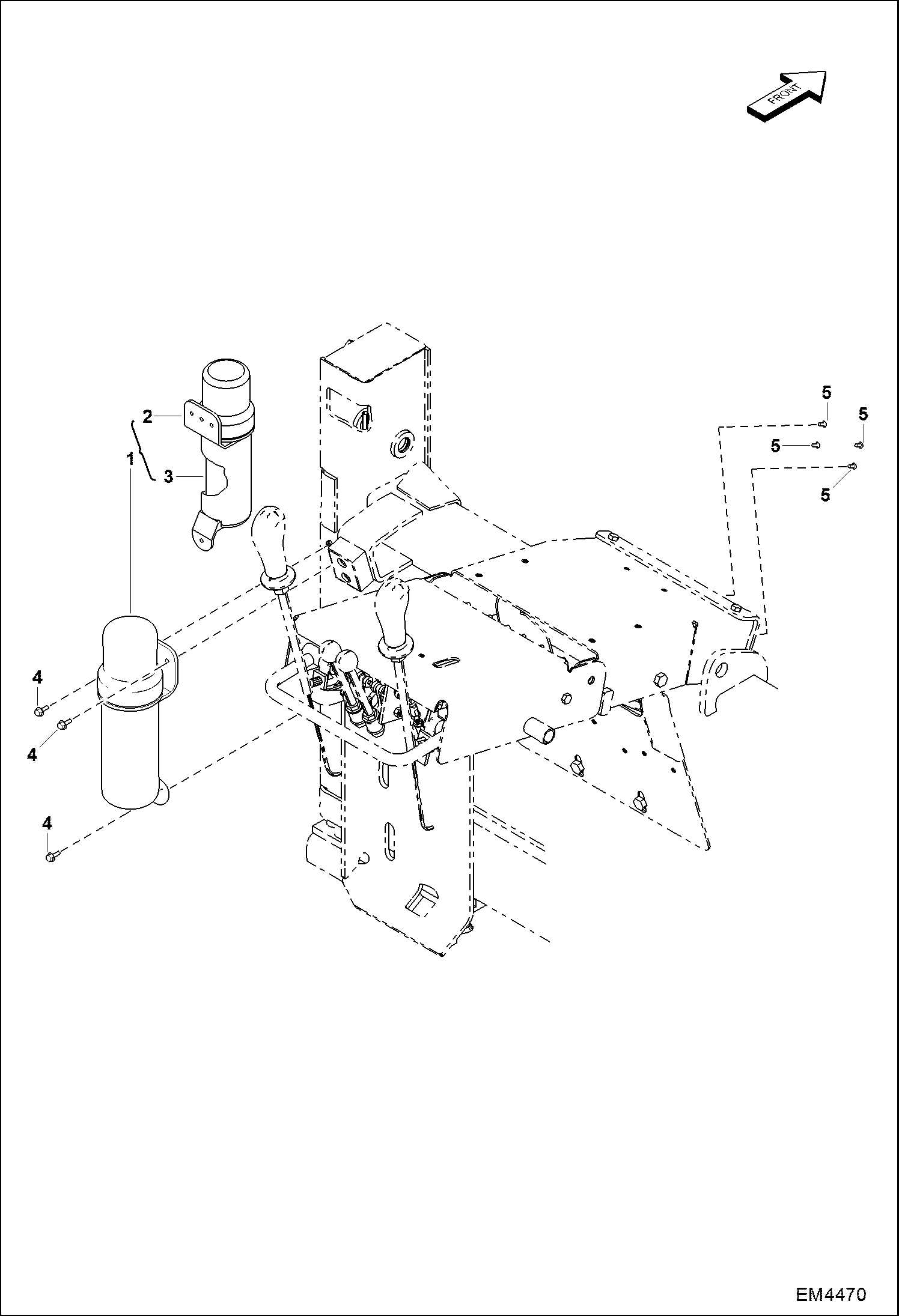
MANUAL CONTAINER (A6TW)
№
Артикул
Название
Примечание
Количество
1
7108147
CONTAINER, MANUAL W/Ref. 2-3
2
CONTAINER, MANUAL NLA - Order Ref. 1 - Was 6737260 - A
3
6686517
TUBE
4
29CM616
BOLT
5
6630207
RIVET 5
Выбрано товаров: 0