Запчасти Bobcat BACKHOE MAIN FRAME (W/O Aux.) (401500101 & Above) 725S BACKHOE

Схема запчастей Bobcat BACKHOE - MAIN FRAME (W/O Aux.) (401500101 & Above) 725S BACKHOE
FIT
1:1
100%

Артикул

Название

Примечание

Количество

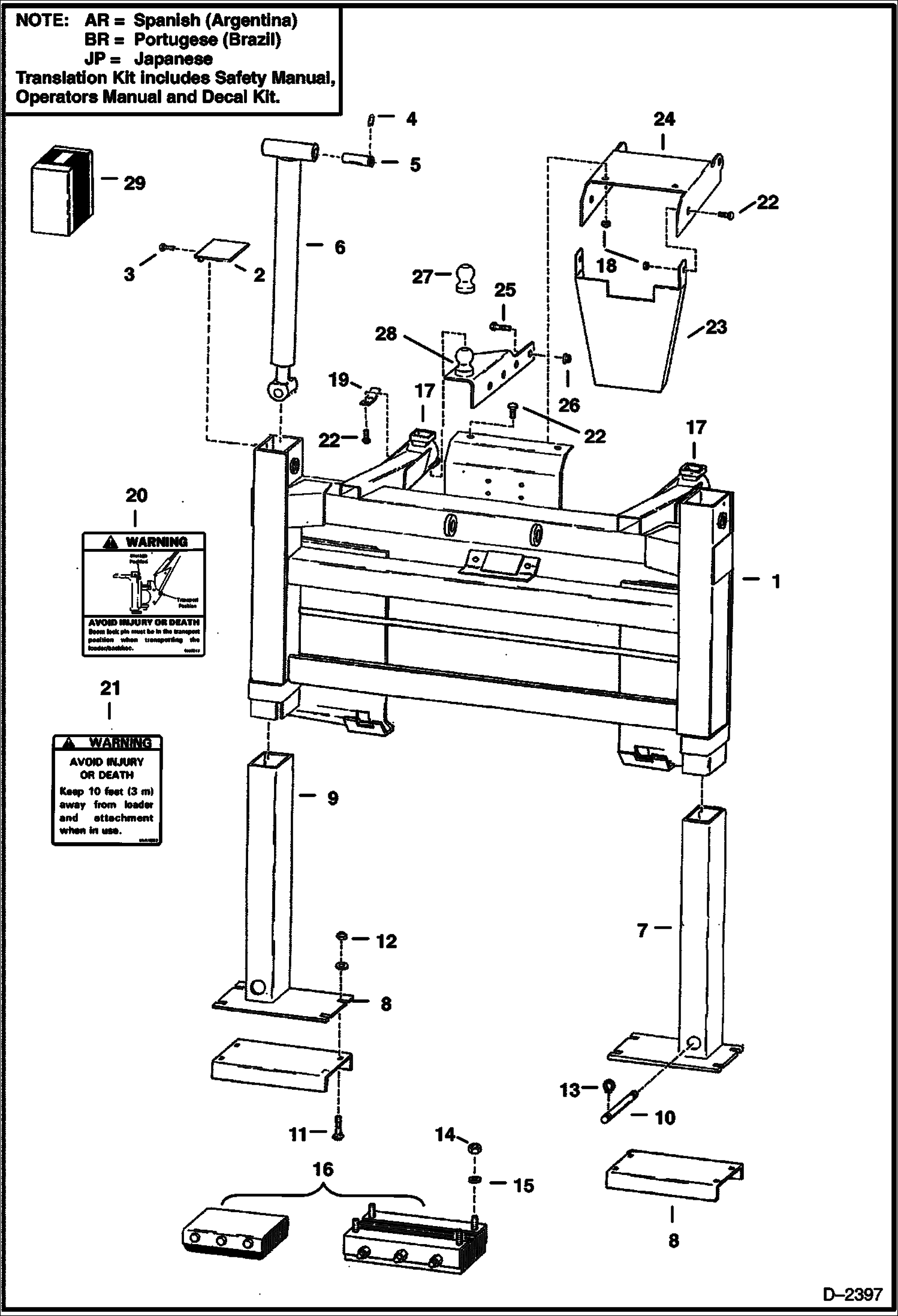
1

6589975

MAIN FRAME

2

6531973

CAP

3

84G3710

SCREW

4

23J16

SNAP RING Was 662770B - B

5

6560668

PIN

6

CYLINDER See Illustration CYLINDER STABILIZER WITH COUNTERBALANCE VALVE/ C5340 Stabilizer

7

6806441

STABILIZER L.H. - Was 6531991 - A

8

6531990

CLEAT

9

6806440

STABILIZER R.H. - Was 6531996 - A

10

6560669

PIN

11

37C820

BOLT

12

55D8

NUT

13

22J16

SNAP RING Was 1320431B - A

14

61D8

NUT 5

15

25E22

WASHER

16

6660164

PAD Street - Bolt on

16

6632446

PAD See BTI235 Street - Weld 0n

17

COUPLER See Illustration COUPLER ASSEMBLY/ B4293

18

85D8

NUT, 5

19

6587634

GUIDE

20

6533215

DECAL, WARNING Transport Warning

21

6583862

DECAL, WARNING Was 6562922 - A

22

17C816

BOLT Was 17C812 - B,D

23

6533086

CHANNEL

24

6532785

CHANNEL

25

31C1028

SCREW

26

83D10

NUT 5

27

6539094

BALL

28

MOUNTING KIT See Illustration MOUNTING KIT - 740/ B24323 See Illustration MOUNTING KIT - 543/ B14371 See Illustration MOUNTING KIT - 753/ B13656

29

6718722AR

KIT Decal - SEE NOTE

29

6718722BR

KIT Decal - SEE NOTE

29

6718722JP

KIT Decal - SEE NOTE

29

6718721AR

KIT Translation - SEE NOTE

29

6718721BR

KIT Translation - SEE NOTE

Выбрано товаров: 34