Качественные детали и логистика
Оригинальные и аналоговые запчасти с доставкой по России, Казахстану и Беларуси
©2022 PartSell ООО "Система" ИНН 2463123282 ОГРН 1212400004838
Центральный офис: г. Красноярск, Академика Киренского, д.87, пом.4
Телефон: 8 (800) 777-65-74 Email: zakaz@partsell.ru
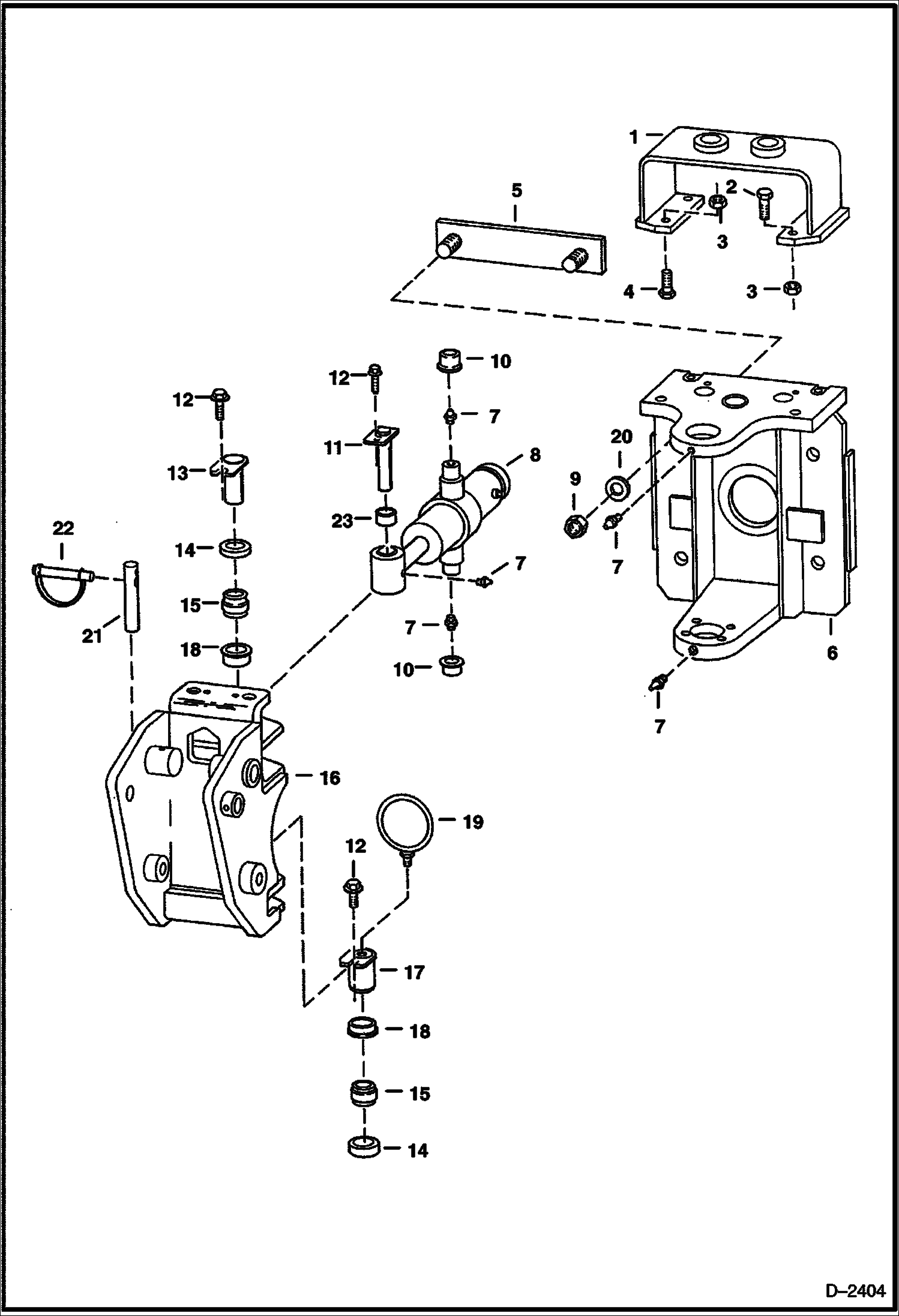
SLIDE - SWING FRAME (401500101 & Above) (232900101 & Above)
№
Артикул
Название
Примечание
Количество
1
6531897
BRACKET
2
17C1040
BOLT
3
85D10
NUT, 5
4
17C1032
5
6531955
BAR Clamping
6
6713478
SLIDE FRAME
7
10H25
FITTING, GREASE 5
8
CYLINDER See Illustration CYLINDER SWING/ B14190 SWING
9
85D16
LOCKNUT
10
6541143
BEARING
11
6531913
PIN
12
84G3712
BOLT 5
13
6531942
14
6539196
BEARING Race
15
6651229
16
6806379
SWING FRAME Was 6713594 - A
17
6539754
18
6539203
BEARING Flange
19
6534633
20
27E16
WASHER
21
6713970
PIN Boom Lock
22
6510020
LOCK PIN Snapper
23
618453
BUSHING
Выбрано товаров: 0