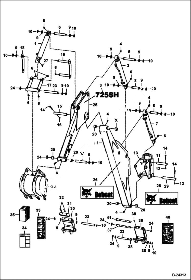
Запчасти Bobcat BACKHOE BOOM & DIPPERSTICK (401500101 & Above) (232900101 & Above) 725S BACKHOE

Схема запчастей Bobcat BACKHOE - BOOM & DIPPERSTICK (401500101 & Above) (232900101 & Above) 725S BACKHOE
FIT
1:1
100%

Артикул

Название

Примечание

Количество

1

CYLINDER See Illustration CYLINDER BUCKET/ B24322 BUCKET

2

CYLINDER See Illustration CYLINDER DIPPER/ B14390 See Illustration CYLINDER DIPPER/ PE2513A DIPPER

3

6714020

DECAL 725S

4

12H15

FITTING, GREASE 5

5

6532518

PIN

6

10H25

FITTING, GREASE 5

7

CYLINDER See Illustration CYLINDER BOOM/ C3241 See Illustration CYLINDER BOOM/ PE2513 BOOM

8

6532517

PIN

9

7136273

WASHER Was 6532519 - B

10

22J20

SNAP RING Was 6538287 - B

11

6532568

PIN

12

81D6

NUT

13

FRAME See Illustration SLIDE - SWING FRAME/ D2404 SWING - REF. 16

14

17C648

BOLT 5

15

6532522

PIN

16

85D6

NUT, 5

17

6535852

LINK

18

6538405

LINK charcoal

18

7218371

LINK, DIPPER white

19

6535855

LINK

20

6651171

BUSHING

21

6535826

BOOM 607 BACKHOE

22

BUCKET See Illustration BUCKETS/ MS1378

23

6537226

PIN 1.24 x 9.50

24

6560382

PIN, LOCK Ring Lock

25

6535817

DIPPERSTICK

26

6815489

DECAL logo - Use on both sides - Was 7109473 - B

27

12H15

FITTING, GREASE 5

28

6727324

DECAL, LOGO BOBCAT AND HEAD

29

6537350

PIN

30

6714924

FRAME Bolt-on X-Change

31

6804485

PLATE

32

17C1052

BOLT

33

6806121

DECAL Bolt-on X-Change

34

6900862

INSTRUCTIONS

35

KIT SALES - bolt-on X-change - W/Ref. 30-34 Sales #6807915

36

7102890

FRAME Pin-on X-change

37

7137214

PIN

38

7103006

BUSHING

39

24K6

FITTING

40

6818059

DECAL Using X-change

41

PIN NLA - Order 7137214 pin & (2) of 6560382 lock rings - Was 6734239 - A

Выбрано товаров: 42