Запчасти Bobcat BACKHOE MAIN FRAME 730S 730S BACKHOE

Схема запчастей Bobcat BACKHOE - MAIN FRAME 730S 730S BACKHOE
FIT
1:1
100%

Артикул

Название

Примечание

Количество

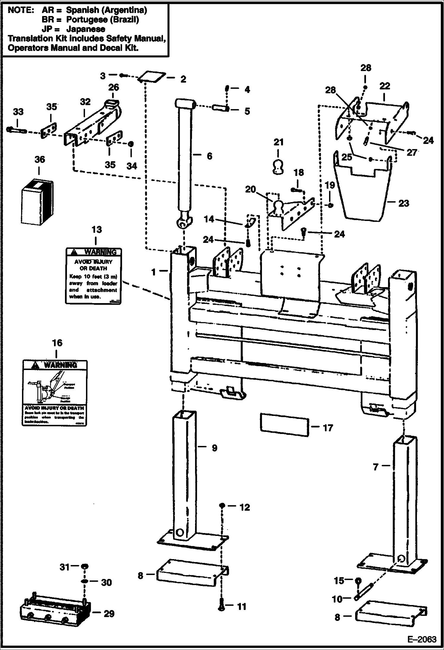
1

6589977

MAIN FRAME W/O Mount Coupler - Ref. 32 - Was 6587259 - A

2

6531973

CAP

3

84G3710

SCREW

4

23J16

SNAP RING Was 662770B - B

5

6560668

PIN

6

CYLINDER See Illustration CYLINDER STABILIZER/ C3101

7

6806441

STABILIZER L.H. - Was 6538536 - A

8

6531990

CLEAT

9

6806440

STABILIZER R.H. - Was 6538538 - A

10

6560669

PIN

11

37C820

BOLT Was 6529377 - B

12

55D8

NUT

13

6583862

DECAL, WARNING stabilizers

14

6587634

GUIDE Was 6562596 - B

15

22J16

SNAP RING Was 1320431B - A

16

6533215

DECAL, WARNING Transport Warning

17

6727324

DECAL, LOGO BOBCAT AND HEAD Was 6714353 - A

18

31C1028

SCREW

19

83D10

NUT 5

20

MOUNT See Illustration MOUNTING KITS - 7753, 773/ B24363

21

6539094

BALL

22

6539017

CHANNEL

23

6533086

CHANNEL

24

17C816

BOLT

25

85D8

NUT, 5

26

COUPLER See Illustration COUPLER ASSEMBLY/ B4293A

27

17C620

BOLT

28

7D6

NUT

29

6660164

PAD Street

30

25E22

WASHER

31

61D8

NUT 5

32

6586727

MOUNT W/Coupler Assembly

33

31C1064

BOLT

34

83D10

NUT 5

35

6587829

SHIM

36

6718769AR

KIT Translation - SEE NOTE

36

6718769BR

KIT Translation - SEE NOTE

36

6718770AR

KIT Decal - SEE NOTE

36

6718770BR

KIT Decal - SEE NOTE

36

6718770JP

KIT Decal - SEE NOTE

Выбрано товаров: 40