Качественные детали и логистика
Оригинальные и аналоговые запчасти с доставкой по России, Казахстану и Беларуси
©2022 PartSell ООО "Система" ИНН 2463123282 ОГРН 1212400004838
Центральный офис: г. Красноярск, Академика Киренского, д.87, пом.4
Телефон: 8 (800) 777-65-74 Email: zakaz@partsell.ru
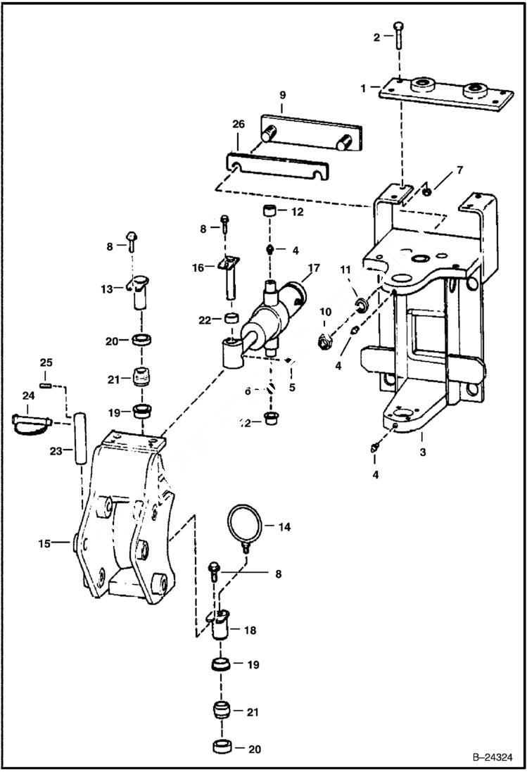
SLIDE - SWING FRAME 730S
№
Артикул
Название
Примечание
Количество
1
6808812
BRACKET Was 6532339 - A
2
17C1028
BOLT
3
6806354
SLIDE FRAME Was 6539288 - A
4
10H25
FITTING, GREASE 5
5
11H15
GREASE FITTING
6
12H15
7
85D10
NUT, 5
8
84G3712
BOLT 5
9
6532826
BAR Clamping
10
85D16
LOCKNUT
11
28E16
WASHER
12
6650253
BUSHING
13
6531942
PIN Was 6539853 - A
14
6534633
BRACKET
15
6806260
SWING FRAME Was 6539163 - A
16
6531964
PIN
17
CYLINDER See Illustration CYLINDER SWING - TEXAS HYDRAULIC/ B13175 SWING
18
6539754
PIN Was 6539194 - A
19
6539203
BEARING Flange
20
6539196
BEARING Race
21
6651229
BEARING
22
6651449
23
6593895
PIN Boom Lock
24
6510020
LOCK PIN
25
14J3740
26
6539289
SHIM
Выбрано товаров: 0