Запчасти Bobcat BACKHOE HYDRAULIC CLAMP SLIDE FRAME 730S - S/N 233 & Above 730S BACKHOE

Схема запчастей Bobcat BACKHOE - HYDRAULIC CLAMP SLIDE FRAME 730S - S/N 233 & Above 730S BACKHOE
FIT
1:1
100%

Артикул

Название

Примечание

Количество

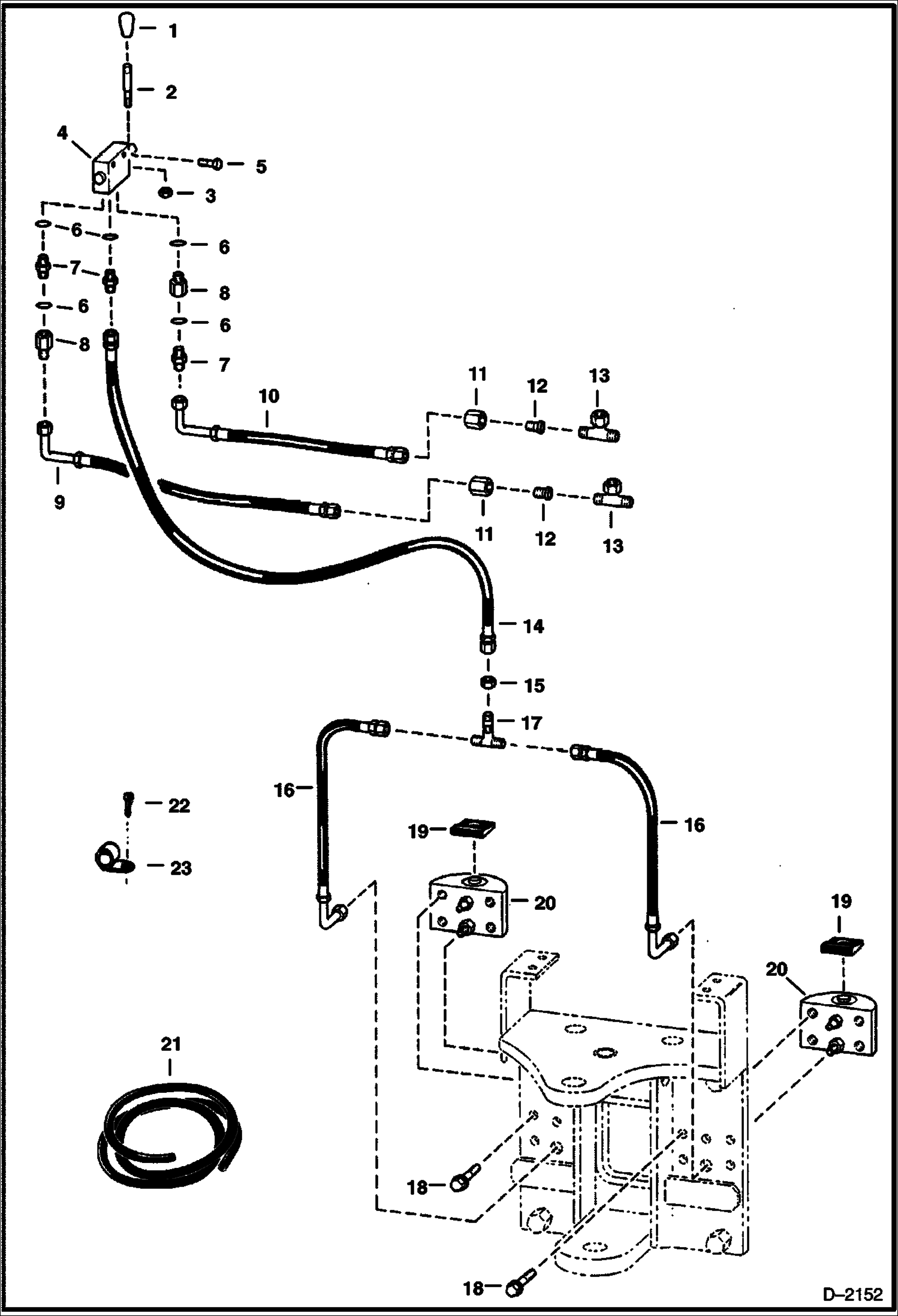
1

6657271

KNOB

2

6538442

LEVER

3

81D5

NUT

4

VALVE See Illustration VALVE HYDRAULIC CLAMP/ B13644 hydraulic clamp

5

17C512

BOLT 5

6

79K6

O RING 10 For flat boss face

6

99K6

O RING For tapered boss face

7

15K5

FITTING W/ O-Ring Ref. 6 - flat boss face

7

ADAPTER NLA - W/O-Ring Ref. 6 - tapered boss face - Was 15KN00005B - A

7

15KB0606

FITTING, HYD CONNECTOR W/ O-ring - Ref. 6 - flat boss face

7

97K6

O RING Flare End

8

6659296

VALVE Check

9

6538895

HOSE

10

6538896

HOSE

11

80F7

NUT

12

9K5

ADAPTER

13

14K7

TEE See Illustration VALVE FLOW DIVIDER, HYDRAULIC CIRCUITRY/ C3272 Ref. 40

14

6539284

HOSE

15

86F3

LOCKNUT

16

6539285

HOSE

17

90F3

TEE

18

31C1028

SCREW

19

6539226

PAD

20

CYLINDER See Illustration CYLINDER HYDRAULIC CLAMP/ B13645 hydraulic clamp

21

6649389

HOSE COVER Bulk - Sold Per Foot

22

84G3710

SCREW

23

30H45

CLIP

Выбрано товаров: 27