Качественные детали и логистика
Оригинальные и аналоговые запчасти с доставкой по России, Казахстану и Беларуси
©2022 PartSell ООО "Система" ИНН 2463123282 ОГРН 1212400004838
Центральный офис: г. Красноярск, Академика Киренского, д.87, пом.4
Телефон: 8 (800) 777-65-74 Email: zakaz@partsell.ru
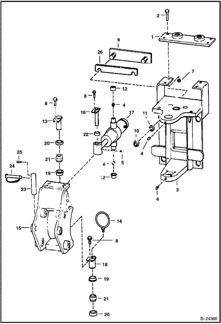
SLIDE - SWING FRAME 730SH
№
Артикул
Название
Примечание
Количество
1
6808812
BRACKET
2
17C1028
BOLT
3
6806354
SLIDE FRAME
4
10H25
FITTING, GREASE 5
5
11H15
GREASE FITTING
6
12H15
7
85D10
NUT, 5
8
84G3712
BOLT 5
9
6532826
BAR Clamping
10
85D16
LOCKNUT
11
28E16
WASHER
12
6650253
BUSHING
13
6531942
PIN
14
6534633
15
6806260
SWING FRAME
16
6531964
17
CYLINDER See Illustration CYLINDER SWING - BOBCAT/ B24327A
18
6539754
19
6539203
BEARING Flange
20
6539196
BEARING Race
21
6651229
BEARING
22
6651449
23
6593895
PIN Boom Lock
24
6510020
LOCK PIN
25
14J3740
26
6539289
SHIM
Выбрано товаров: 0