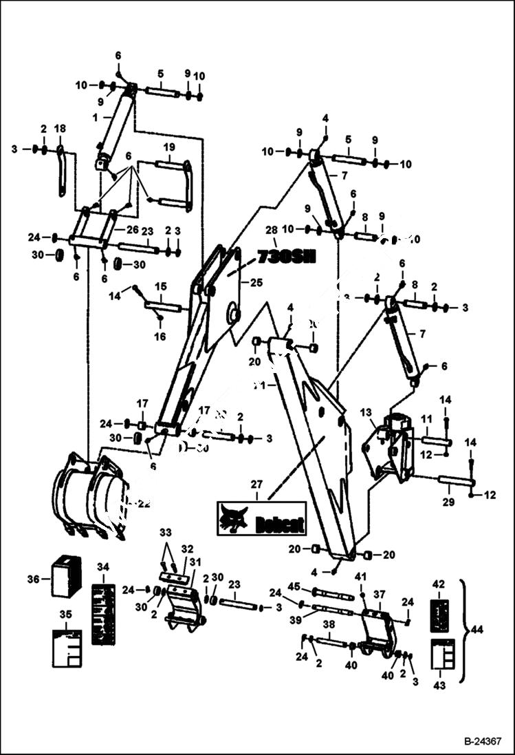
Запчасти Bobcat BACKHOE BOOM & DIPPERSTICK 730SH 730SH BACKHOE

Схема запчастей Bobcat BACKHOE - BOOM & DIPPERSTICK 730SH 730SH BACKHOE
FIT
1:1
100%

Артикул

Название

Примечание

Количество

1

CYLINDER See Illustration CYLINDER BUCKET/ C3236A See Illustration CYLINDER BUCKET/ PE2641B BUCKET

2

6584872

WASHER Was 7136272 - A

3

22J24

RING SNAP Was 6538285 - B

4

12H15

FITTING, GREASE 5

5

6532518

PIN

6

10H25

FITTING, GREASE 5

7

CYLINDER See Illustration BOOM & DIPPER CYLINDER/ C3347B See Illustration BOOM & DIPPER CYLINDER/ NA2858A BOOM & DIPPER

8

6532517

PIN

9

6532519

WASHER

10

22J20

SNAP RING Was 6538287 - B

11

6532568

PIN

12

81D6

NUT

13

FRAME See Illustration SLIDE - SWING FRAME/ B24366 SWING - REF. 15

14

17C648

BOLT 5

15

6532522

PIN

16

85D6

NUT, 5

17

6560334

BUSHING Press-in

18

7114802

LINK Was 6716262 - A

19

6716263

LINK

20

6651171

BUSHING

21

6532491

BOOM, DIPPER ARM

22

BUCKET See Illustration BUCKETS/ B24328A

23

6560401

PIN, PIVOT BUCKET

24

6560382

PIN, LOCK Ring Lock

25

6716256

DIPPERSTICK Also order (2) of Ref. 30 - if using standard bucket

26

6716264

LINK, BUCKET MACHINED Also order (2) of Ref. 30 - if using standard bucket

27

6808545

DECAL Bobcat - R.H. - Was 6557412 - A

27

6808546

DECAL Bobcat - L.H. - Was 6557413 - A

28

6806484

DECAL 730SH

29

6537350

PIN

30

6716402

SPACER

31

6714921

ADAPTER Bolt-on X-Change

32

6804485

PLATE

33

17C1052

BOLT

34

6806121

DECAL Bolt-on X-Change

35

6900862

INSTRUCTIONS For Ref. 36 kit

36

KIT SALES - bolt-on X-Change adapter - W/Ref. 31-35 - Sales #6806079

37

7102949

FRAME Pin-on X-change

38

7103010

PIN Bucket

39

7137214

PIN

40

7103005

BUSHING

41

24K6

FITTING

42

6818059

DECAL Using X-change

43

6903304

INSTRUCTIONS For Ref. 44 kit

44

7108080

KIT pin-on X-change - W/Ref. 2, 3, 24 & 37-43

45

PIN NLA - Order 7137214 pin & (2) of 6560382 lock rings - Was 6734239 - A

Выбрано товаров: 46