Запчасти Bobcat BACKHOE HYDRAULIC CLAMP SLIDE FRAME 730SH - S/N 646501001 & Above 730SH BACKHOE

Схема запчастей Bobcat BACKHOE - HYDRAULIC CLAMP SLIDE FRAME 730SH - S/N 646501001 & Above 730SH BACKHOE
FIT
1:1
100%

Артикул

Название

Примечание

Количество

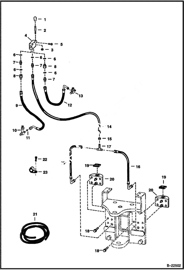
1

6657271

KNOB

2

6538442

LEVER

3

81D5

NUT

4

VALVE See Illustration VALVE HYDRAULIC CLAMP/ B13644A HYDRAULIC CLAMP

5

17C512

BOLT 5

6

99K6

O RING For tapered boss face

6

79K6

O RING 10 For flat boss face

7

ADAPTER NLA - for tapered boss face - Was 15KN00005B - A

7

15KB0606

FITTING, HYD CONNECTOR flat boss face

7

97K6

O RING For flare end

8

6659296

VALVE Check

9

6808713

HOSE

10

6808525

TEE

11

97K6

O RING

12

6811170

HOSE

13

6811081

TEE

14

6806987

HOSE

15

86F3

LOCKNUT

16

6539285

HOSE

17

90F3

TEE

18

31C1028

SCREW

19

6539226

PAD

20

CYLINDER See Illustration CYLINDER HYDRAULIC CLAMP/ B13645A HYDRAULIC CLAMP

21

6649389

HOSE COVER Bulk - Sold Per Foot

22

84G3710

SCREW

23

30H45

CLIP

Выбрано товаров: 26