Запчасти Bobcat BACKHOE CYLINDER STABILIZER WITH COUNTERBALANCE VALVE 730SH 730SH BACKHOE

Схема запчастей Bobcat BACKHOE - CYLINDER STABILIZER WITH COUNTERBALANCE VALVE 730SH 730SH BACKHOE
FIT
1:1
100%

Артикул

Название

Примечание

Количество

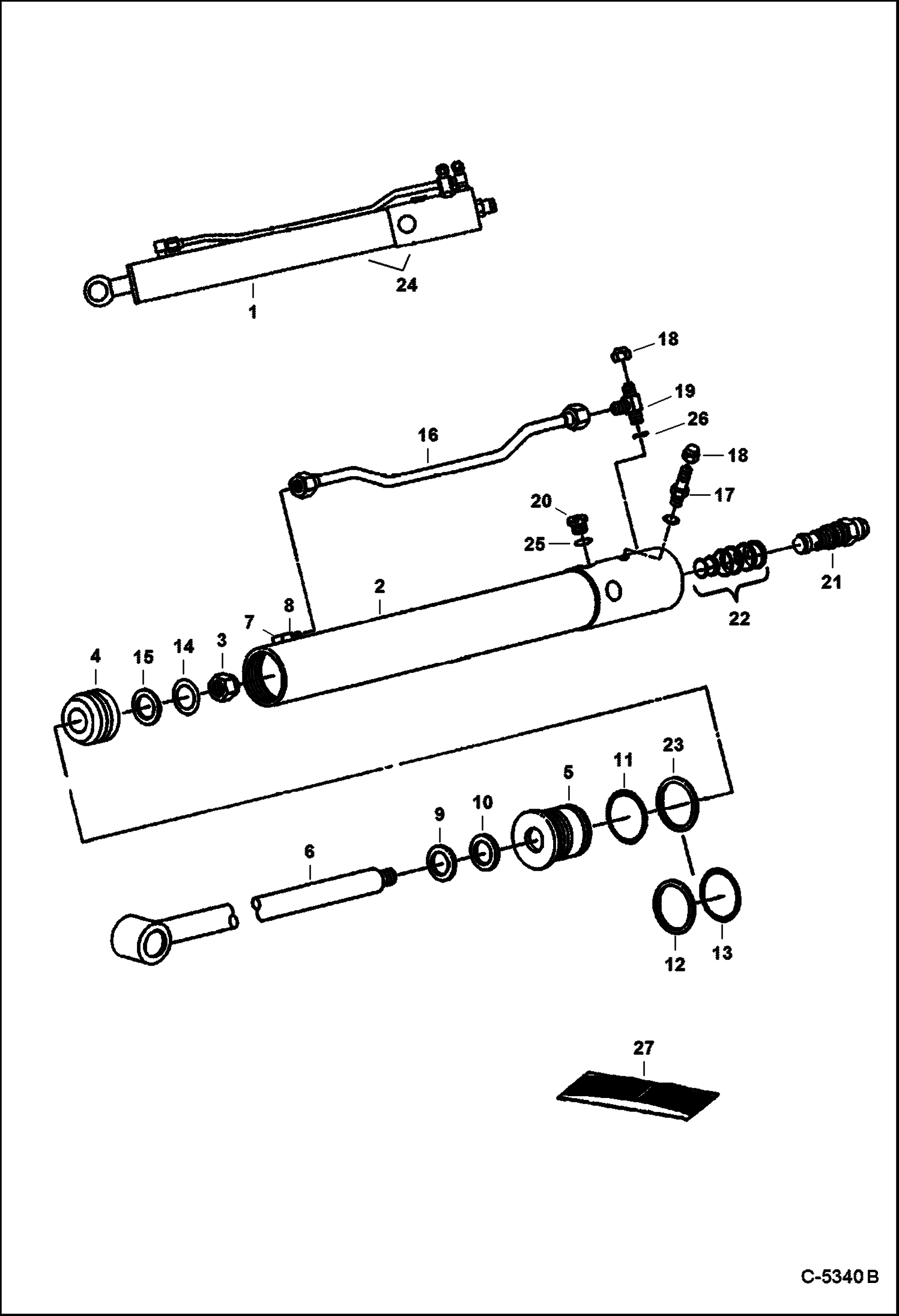
1

6589845

CYLINDER W/Ref. 2-19, 21

2

6595002

TUBE

3

92D12

NUT

4

6504931

PISTON

5

6538595

HEAD, CYL HYD End

6

6532231

ROD

7

47K2

PLUG W/Ref. 8 - flat boss face

7

90KV2

PLUG W/Ref. 8 - tapered boss face

8

79K3

O RING 10 For flat boss face

8

95K3

O'RING For tapered boss face

9

1657083

WIPER ROD

10

6667323

SEAL Was 6704243 - A

11

82K136

O-RING Was 58K136 - B

12

73K224

RING Back-Up

13

54K40124

O-RING Was 25K040124B - A

14

54K30118

O-RING Was 25K030118B - A

15

6516231

SEAL

16

6589968

TUBELINE

17

16K5

FITTING W/Ref. 26 - (79K000006B O-Ring) - flat boss face

17

16KB0606

FTG HYD L CONNECTOR W/Ref. 26 - tapered boss face - Was 16KV00005B - A

17

97K6

O RING for flared end

17

6814410

FITTING W/Ref. 26 - (75K000006B O-Ring) - flat boss face

18

6598937

CAP

19

21K5

TEE W/Ref. 26 - (79K000006B O-Ring) - flat boss face

19

21KB0606

FTG HYD STRAIGHT TEE W/Ref. 26 - tapered boss face - Was 21KV00005B - A

19

97K6

O RING Flare End

19

6814409

TEE W/Ref. 26 - (75K000006B O-Ring) - flat boss face

20

47K5

PLUG Shipping Only - W/Ref. 25 - flat boss face

20

90KV5

PLUG Tapered boss face

21

6665481

VALVE Counterbalance

22

6665571

KIT 3 O-Rings - 3 Washers

23

7008781

SEAL, QUAD

24

MARKING DATE CODE - Part Number

25

79K6

O RING 10 For flat boss face

25

95K6

O'RING For tapered boss face

26

79K6

O RING 10 For flat boss face

26

99K6

O RING For tapered boss face

26

75K6

O-RING For flat boss face

27

7137771

SEAL KIT Ref. 3, 9-11, 14, 15, & 23 - Was 6803472 - A

Выбрано товаров: 39