Запчасти Bobcat BACKHOE MAIN FRAME 835S - S/NS 7850 & 9700 (1st 4 Digits) 835S BACKHOE

Схема запчастей Bobcat BACKHOE - MAIN FRAME 835S - S/NS 7850 & 9700 (1st 4 Digits) 835S BACKHOE
FIT
1:1
100%

Артикул

Название

Примечание

Количество

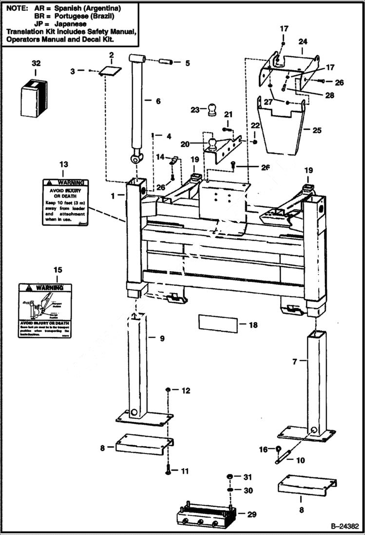
1

6596021

MAIN FRAME Was 6587591 - A

2

6531973

CAP

3

84G3710

SCREW

4

23J16

SNAP RING Was 662770B - B

5

6560668

PIN

6

CYLINDER See Illustration CYLINDER STABILIZER/ C3101A STABILIZER

7

6806441

STABILIZER L.H. - Was 6538536 - A

8

6531990

CLEAT

9

6806440

STABILIZER R.H. - Was 6538538 - A

10

6560669

PIN

11

37C820

BOLT Was 6529377 - D

12

55D8

NUT

13

6583862

DECAL, WARNING stabilizers

14

6587634

GUIDE Was 6562596 - A

15

6533215

DECAL, WARNING Transport Warning

16

22J16

SNAP RING Was 1320431B - B

17

7D6

NUT

18

6727324

DECAL, LOGO BOBCAT AND HEAD Was 6714353 - A

19

COUPLER See Illustration COUPLER ASSEMBLY/ B4293B

20

MOUNT See Illustration MOUNTING KIT - 843/ B24397 See Illustration MOUNTING KIT - 873 & 873G/ TS1467 See Illustration MOUNTING KIT - 740/ B24323A See Illustration MOUNTING KIT - 853/ B24398

21

31C1028

SCREW

22

83D10

NUT 5

23

6562203

BALL

24

6539017

CHANNEL

25

6533086

CHANNEL

26

17C816

BOLT

27

85D8

NUT, 5

28

17C620

BOLT

29

6660164

PAD Street

30

25E22

WASHER

31

61D8

NUT 5

32

6718785AR

KIT Translation - SEE NOTE

32

6718785BR

KIT Translation - SEE NOTE

32

6718786AR

KIT Decal - SEE NOTE

32

6718786BR

KIT Decal - SEE NOTE

32

6718786JP

KIT Decal - SEE NOTE

Выбрано товаров: 36