Качественные детали и логистика
Оригинальные и аналоговые запчасти с доставкой по России, Казахстану и Беларуси
©2022 PartSell ООО "Система" ИНН 2463123282 ОГРН 1212400004838
Центральный офис: г. Красноярск, Академика Киренского, д.87, пом.4
Телефон: 8 (800) 777-65-74 Email: zakaz@partsell.ru
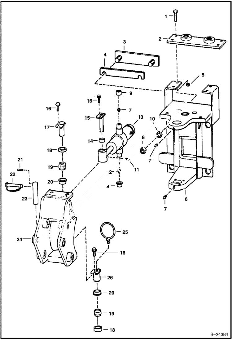
SLIDE - SWING FRAME 835S - All Serial Nos
№
Артикул
Название
Примечание
Количество
1
17C1028
BOLT Was 17C001040B - A
2
6808812
BRACKET Was 6532339 - A
3
6532826
BAR Clamping
4
6539289
SHIM
5
85D10
NUT, 5
6
6806372
SLIDE FRAME Was 6538889 - A
7
10H25
FITTING, GREASE 5
8
85D16
LOCKNUT
9
6650253
BUSHING
10
28E16
WASHER
11
11H15
GREASE FITTING
12
12H15
13
CYLINDER See Illustration CYLINDER SWING/ B24327B SWING
14
6651449
BEARING
15
6531964
PIN
16
84G3712
BOLT 5
17
6538962
18
6538963
19
6658692
20
6538958
BUSHING Flanged
21
14J3740
22
6510020
LOCK PIN
23
6593895
PIN Boom Lock
24
6806554
SWING FRAME Was 6537745 - A
25
6534633
BRACKET
26
6538953
Выбрано товаров: 0