Запчасти Bobcat BACKHOE BREAKER HYDRAULIC KIT - 2560 & 2570 835S 835S BACKHOE

Схема запчастей Bobcat BACKHOE - BREAKER HYDRAULIC KIT - 2560 & 2570 835S 835S BACKHOE
FIT
1:1
100%

Артикул

Название

Примечание

Количество

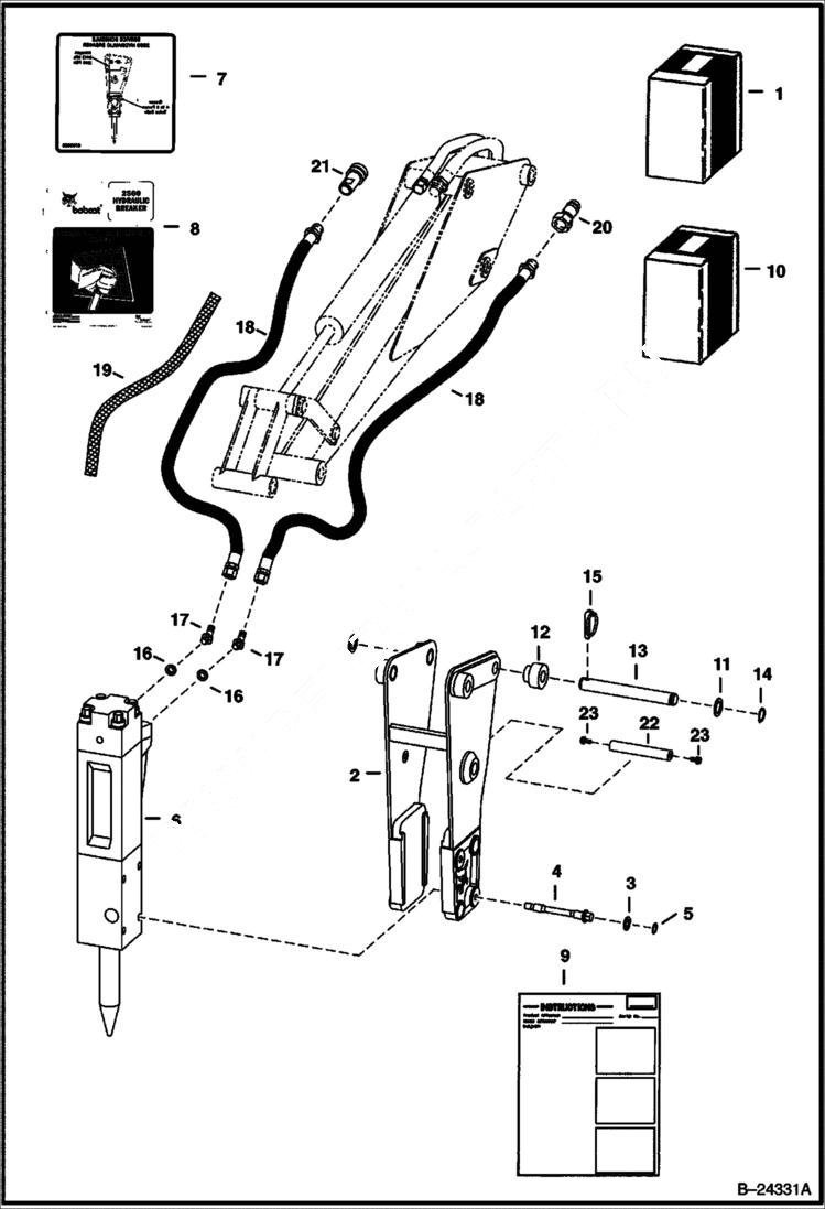
1

KIT SALES - Hydr. Breaker W/Ref. 2-9 - Sales #6705092

2

6705592

FRAME

3

6728010

WASHER Locking - Was 6662308 - A

4

6662307

BOLT

5

6662309

SNAP RING

6

BREAKER Order Ref. 1

7

6715874

DECAL Service - Was 6705625 - A

8

6722591

MANUAL Operators

9

6722592

INSTRUCTION Mounting

10

KIT SALES - Hydr. Breaker W/Ref. 11-21 - Sales #6705600

11

6584872

WASHER

12

6705536

BUSHING

13

6705593

PIN

14

22J24

RING SNAP Was 6538285 - B

15

6560382

PIN, LOCK Locking

16

79K12

O RING 10

17

18K8

FTG

18

6588312

HOSE

19

6656155

HOSE COVER bulk - sold per foot

20

6598757

COUPLER, POPPET MALE straight

21

6598758

COUPLER, POPPET FEMALE straight

22

6715741

BAR Support

23

31C832

BOLT

Выбрано товаров: 23