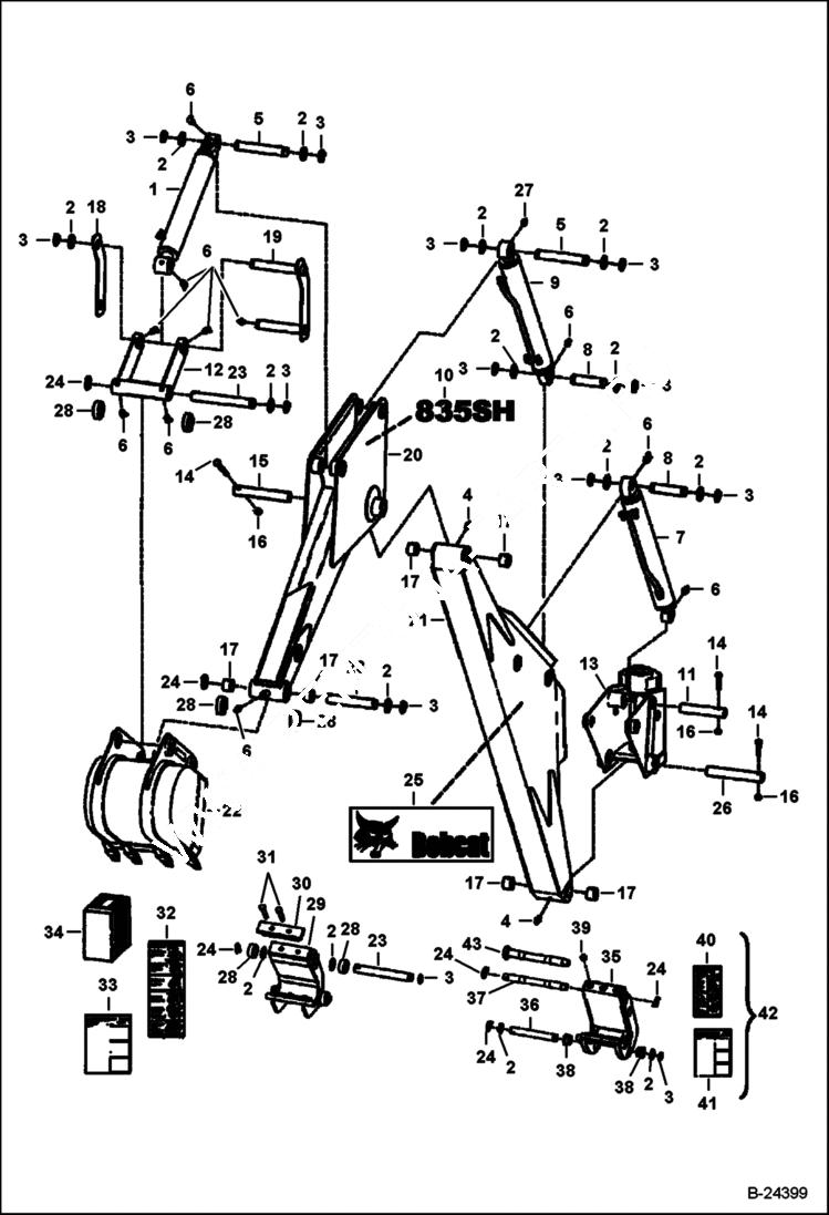
Запчасти Bobcat BACKHOE BOOM & DIPPERSTICK 835SH - S/N 9923 (1st 4 digits) 835SH BACKHOE

Схема запчастей Bobcat BACKHOE - BOOM & DIPPERSTICK 835SH - S/N 9923 (1st 4 digits) 835SH BACKHOE
FIT
1:1
100%

Артикул

Название

Примечание

Количество

1

CYLINDER See Illustration CYLINDER BUCKET/ C3236C See Illustration CYLINDER BUCKET/ NA2865 BUCKET

2

6584872

WASHER

3

22J24

RING SNAP Was 6538285 - B

4

12H15

FITTING, GREASE 5

5

6560349

PIN

6

10H25

FITTING, GREASE 5

7

CYLINDER See Illustration CYLINDER - BOOM/ B24393C See Illustration CYLINDER - BOOM/ PE2514B BOOM

8

6560350

PIN

9

CYLINDER See Illustration CYLINDER - DIPPER/ B24393B See Illustration CYLINDER - DIPPER/ PE2514C DIPPER

10

DECAL 835S/835SH - see mounting kit

11

6560351

PIN

12

6716264

LINK, BUCKET MACHINED Also order (2) of Ref. 28 if using Standard Buckets

13

FRAME See Illustration SLIDE - SWING FRAME/ B24384A SWING - REF. 24

14

17C648

BOLT 5

15

6533340

PIN

16

85D6

NUT, 5

17

6560334

BUSHING Press-in

18

7114802

LINK Was 6716262 - A

19

6716263

LINK

20

6716257

ARM Also order (2) of Ref. 28 if using Standard Buckets

21

6533283

BOOM

22

BUCKET See Illustration BUCKETS/ PE1577C

23

6560401

PIN, PIVOT BUCKET

24

6560382

PIN, LOCK Ring Lock

25

6808545

DECAL Bobcat - R.H.]

25

6808546

DECAL Bobcat - L.H.]

26

6537746

PIN

27

12H15

FITTING, GREASE 5

28

6716402

SPACER

29

6714921

ADAPTER Bolt-on X-Change

30

6804485

PLATE

31

17C1052

BOLT

32

6806121

DECAL Bolt-on X-Change

33

6900862

INSTRUCTIONS For Ref. 34 kit

34

KIT SALES - bolt-on X-Change adapter - W/Ref. 29-33 - Sales #6806079

35

7102949

FRAME Pin-on X-change

36

7103010

PIN Bucket

37

7137214

PIN

38

7103005

BUSHING

39

24K6

FITTING

40

6818059

DECAL Using X-change

41

6903304

INSTRUCTIONS For Ref. 42 kit

42

7108080

KIT Pin-on X-change - W/Ref. 2, 3, 24, 35-41

43

PIN NLA - Order 7137214 pin & (2) of 6560382 lock rings - Was 6734239 - A

Выбрано товаров: 44