Качественные детали и логистика
Оригинальные и аналоговые запчасти с доставкой по России, Казахстану и Беларуси
©2022 PartSell ООО "Система" ИНН 2463123282 ОГРН 1212400004838
Центральный офис: г. Красноярск, Академика Киренского, д.87, пом.4
Телефон: 8 (800) 777-65-74 Email: zakaz@partsell.ru
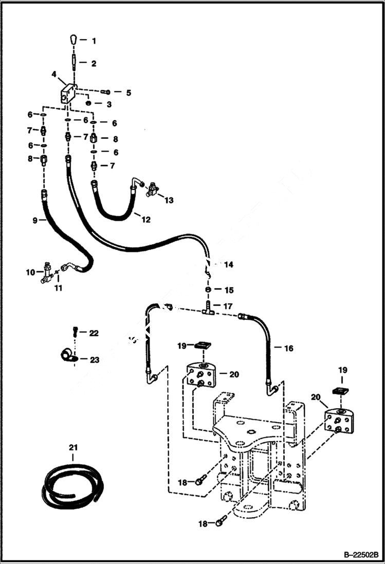
HYDRAULIC CLAMP SLIDE FRAME 835SH - S/N 9923 (1st 4 digits)
№
Артикул
Название
Примечание
Количество
1
6657271
KNOB
2
6538442
LEVER
3
81D5
NUT
4
VALVE See Illustration VALVE HYDRAULIC CLAMP/ B13644C HYDRAULIC CLAMP
5
17C512
BOLT 5
6
79K6
O RING 10
7
15KB0606
FITTING, HYD CONNECTOR
8
6659296
VALVE Check
9
6716463
HOSE
10
6808525
TEE
11
97K6
O RING
12
6811183
13
6811081
14
6536599
15
86F3
LOCKNUT
16
6539285
17
90F3
18
31C1028
SCREW
19
6539226
PAD
20
CYLINDER See Illustration CYLINDER HYDRAULIC CLAMP/ B13645C HYDRAULIC CLAMP
21
6649389
HOSE COVER Bulk - Sold Per Foot
22
84G3710
23
30H45
CLIP
Выбрано товаров: 0