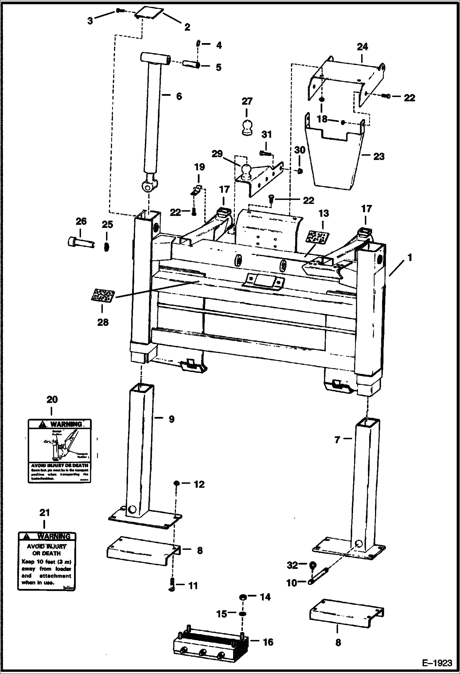
Запчасти Bobcat BACKHOE MAIN FRAME 923S & 923SA 923S BACKHOE

Схема запчастей Bobcat BACKHOE - MAIN FRAME 923S & 923SA 923S BACKHOE
FIT
1:1
100%

Артикул

Название

Примечание

Количество

1

6589975

MAIN FRAME 923S - Was 6531972 - A

1

MAIN FRAME NLA - 923SA - Was 6589976 - A

2

6531973

CAP

3

84G3710

SCREW

4

23J16

SNAP RING Was 662770B - B

5

6560668

PIN

6

CYLINDER See Illustration CYLINDER STABILIZER/ B24404 See Illustration CYLINDER STABILIZER WITH COUNTERBALANCE VALVE/ C5340E

7

6806441

STABILIZER L.H. - Was 6531991 - A

8

6531990

CLEAT

9

6806440

STABILIZER R.H. - Was 6531996 - A

10

6560669

PIN

11

37C820

BOLT Was 6560578 - A

12

55D8

NUT

13

6553976

SAFETY TREAD 127 x 203 mm (5 x 8'')

14

61D8

NUT 5

15

25E22

WASHER

16

6660164

PAD Street

17

COUPLER See Illustration COUPLER ASSEMBLY/ B4293C

18

85D8

NUT, 5

19

6587634

GUIDE Was 6562596 - A

20

6533213

DECAL Transport Warning

21

6583862

DECAL, WARNING stabilizers - Was 6562922 - A

22

17C816

BOLT

23

6533086

CHANNEL 923S

23

6533062

CHANNEL 923SA

24

6532785

CHANNEL

25

6560382

PIN, LOCK Ring Lock

26

6531241

PIN Boom Lock

27

6561941

BALL

28

6532695

SAFETY TREAD Use only on 1996 and Older Models

29

6561942

MOUNT See Illustration MOUNTING KIT - 753/ B13656A See Illustration MOUNTING KIT - 543/ B14371A L.H. W/Ball

29

6561943

MOUNT See Illustration MOUNTING KIT - 543/ B14371A R.H. W/BALL - Ref. 3

30

83D10

NUT 5

31

31C1028

SCREW

32

22J16

SNAP RING Was 1320431B - B

Выбрано товаров: 35