Запчасти Bobcat BACKHOE MAIN FRAME 928S 928S BACKHOE

Схема запчастей Bobcat BACKHOE - MAIN FRAME 928S 928S BACKHOE
FIT
1:1
100%

Артикул

Название

Примечание

Количество

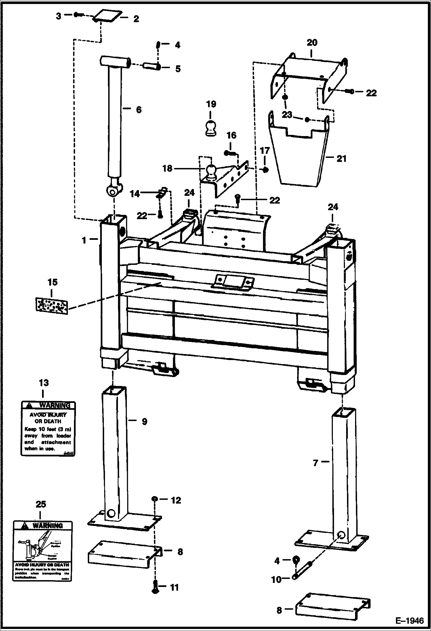
1

6531959

MAIN FRAME

2

6531973

CAP

3

84G3712

BOLT 5

4

22J16

SNAP RING Was 1320431B - B

5

6560668

PIN

6

CYLINDER See Illustration CYLINDER STABILIZER/ C3101B STABILIZER

7

6806441

STABILIZER L.H. - Was 6531991 - A

8

6531990

CLEAT

9

6806440

STABILIZER R.H. - Was 6531996 - A

10

6560669

PIN

11

37C820

BOLT Was 6560578 - A

12

55D8

NUT

13

6583862

DECAL, WARNING stabilizers - Was 6562922 - A

14

6562596

GUIDE

15

6532695

SAFETY TREAD

16

31C1028

SCREW

17

83D10

NUT 5

18

MOUNT See Illustration MOUNTING KITS - 7753, 773/ B24363

19

6561941

BALL

20

6532785

CHANNEL

21

6533086

CHANNEL

22

17C816

BOLT

23

85D8

NUT, 5

24

COUPLER See Illustration COUPLER ASSEMBLY/ B4293D

25

6533215

DECAL, WARNING Transport Warning

Выбрано товаров: 0