Запчасти Bobcat BACKHOE VALVE CONTROL 928S 928S BACKHOE

Схема запчастей Bobcat BACKHOE - VALVE CONTROL 928S 928S BACKHOE
FIT
1:1
100%

Артикул

Название

Примечание

Количество

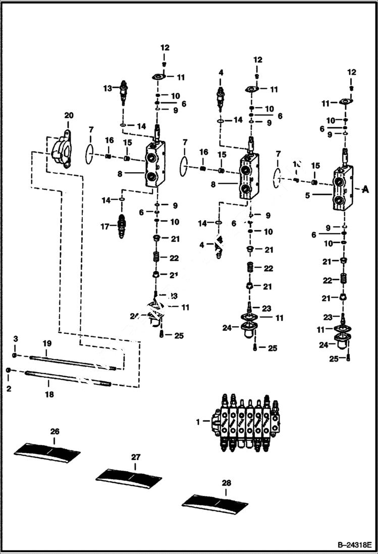
1

VALVE See Illustration VALVE CONTROL/ B24319B Ref. 2-19, 21-25, 27-29 - NLA - W/Ref. 2-25 on this Illustration - Was 6655019 - A

2

62D6

NUT 5

3

61D5

NUT

4

6651867

RELIEF VALVE

5

6646687

SECTION Swing & Stab. - W/Ref. 6, 7, 9-12, 15, 16, 21-25

6

WASHER NSS

7

6646691

O-RING

8

6646689

SECTION Bucket & Dipper - W/O Ref. 13 & 14 - W/Ref. 6, 7, 9-12, 15, 16, 21-25

9

O-RING NSS

10

WIPER NSS

11

948016

PLATE

12

93G406

SCREW

13

6646679

RELIEF VALVE

14

961240

O-RING

15

6630965

POPPET

16

6630966

SPRING

17

6646701

RELIEF VALVE

18

6514392

TIE BOLT Tie

19

6514391

BOLT Tie

20

6651873

CAP End

21

948017

SEAT Spring

22

948018

SPRING

23

948191

CAPSCREW

24

948192

CAP

25

73G412

SCREW

26

6646695

SEAL KIT O-Rings & Back-Up Rings for Ref. 13 & 17

27

6646698

SEAL KIT Spool - W/Ref. 6, 9 & 10

28

6652870

SEAL KIT See Illustration VALVE CONTROL/ B24319B Ref. 7, 20, 26 & 30 - Complete - Includes Ref. 26 & 27 on this Illustration

Выбрано товаров: 0