Качественные детали и логистика
Оригинальные и аналоговые запчасти с доставкой по России, Казахстану и Беларуси
©2022 PartSell ООО "Система" ИНН 2463123282 ОГРН 1212400004838
Центральный офис: г. Красноярск, Академика Киренского, д.87, пом.4
Телефон: 8 (800) 777-65-74 Email: zakaz@partsell.ru
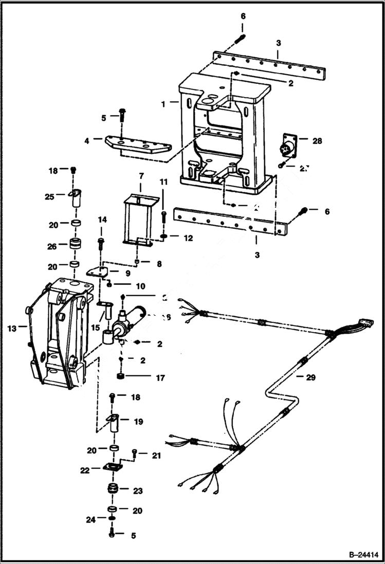
SLIDE - SWING FRAME 937S
№
Артикул
Название
Примечание
Количество
1
6531123
SLIDE FRAME
2
10H25
FITTING, GREASE 5
3
6531152
CLAMP
4
6531135
5
31C1228
BOLT
6
17C1632
7
6531342
GUIDE
8
6625282
BUSHING
9
6531321
PLATE
10
85D6
NUT, 5
11
17C624
BOLT 5
12
25E17
WASHER 5
13
6531237
SWING FRAME
14
84G3720
15
6531149
PIN
16
CYLINDER See Illustration CYLINDER SWING/ C3095 SWING
17
6650253
18
84G3712
19
6531146
20
6531145
BEARING
21
17C616
22
6583703
BRACKET
23
6511242
24
6593892
WASHER
25
6531143
26
6641277
27
17C820
28
CYLINDER See Illustration CYLINDER LOCK/ C3099 LOCK
29
6533193
HARNESS Backhoe Lights
Выбрано товаров: 0