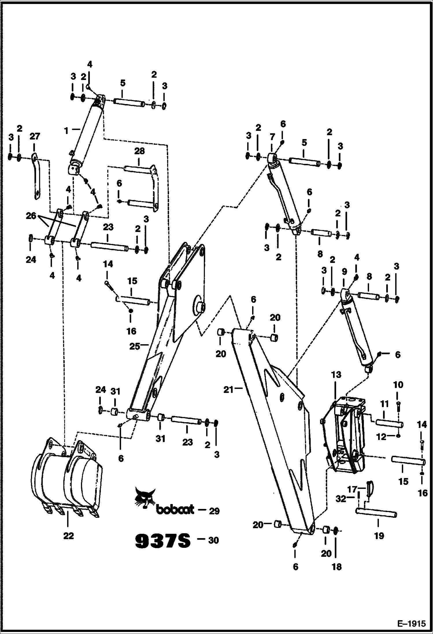
Запчасти Bobcat BACKHOE BOOM & DIPPERSTICK 937S 937S BACKHOE

Схема запчастей Bobcat BACKHOE - BOOM & DIPPERSTICK 937S 937S BACKHOE
FIT
1:1
100%

Артикул

Название

Примечание

Количество

1

CYLINDER See Illustration CYLINDER BUCKET/ C2892 BUCKET - Ref. 1

2

6584872

WASHER

3

6538285

LOCK RING Was 1305943B - A

4

12H15

FITTING, GREASE 5

5

6560352

PIN

6

10H25

FITTING, GREASE 5

7

CYLINDER See Illustration CYLINDER DIPPER/ B24422 DIPPER

8

6560350

PIN

9

CYLINDER See Illustration CYLINDER BOOM/ C3043 BOOM

10

17C664

BOLT

11

6560351

PIN

12

81D6

NUT

13

FRAME See Illustration SLIDE - SWING FRAME/ B24414 SWING - REF. 13

14

17C864

BOLT

15

6531534

PIN

16

85D8

NUT, 5

17

6510020

LOCK PIN

18

6529588

WASHER Hardened

19

6593895

PIN Was 6531439 - A

20

1318541

RACE Was 1318514 - D

21

6529781

BOOM

22

BUCKET See Illustration BUCKETS BACKHOE/ B24423

23

6560401

PIN, PIVOT BUCKET

24

6560382

PIN, LOCK Ring lock

25

6593828

DIPPER ARM

26

6593848

LINK

27

6593846

LINK

28

6593845

LINK W/Pins

29

6808545

DECAL Bobcat - R.H. - Was 6557412 - A

29

6808546

DECAL Bobcat - L.H. - Was 6557413 - A

30

6531702

DECAL 937S

31

6560334

BUSHING

32

14J3740

PIN

Выбрано товаров: 33