Запчасти Bobcat BACKHOE BOB-TACH MOUNTED BACKHOE (Control Valve) BOBTACH BACKHOE

Схема запчастей Bobcat BACKHOE - BOB-TACH MOUNTED BACKHOE (Control Valve) BOBTACH BACKHOE
FIT
1:1
100%

Артикул

Название

Примечание

Количество

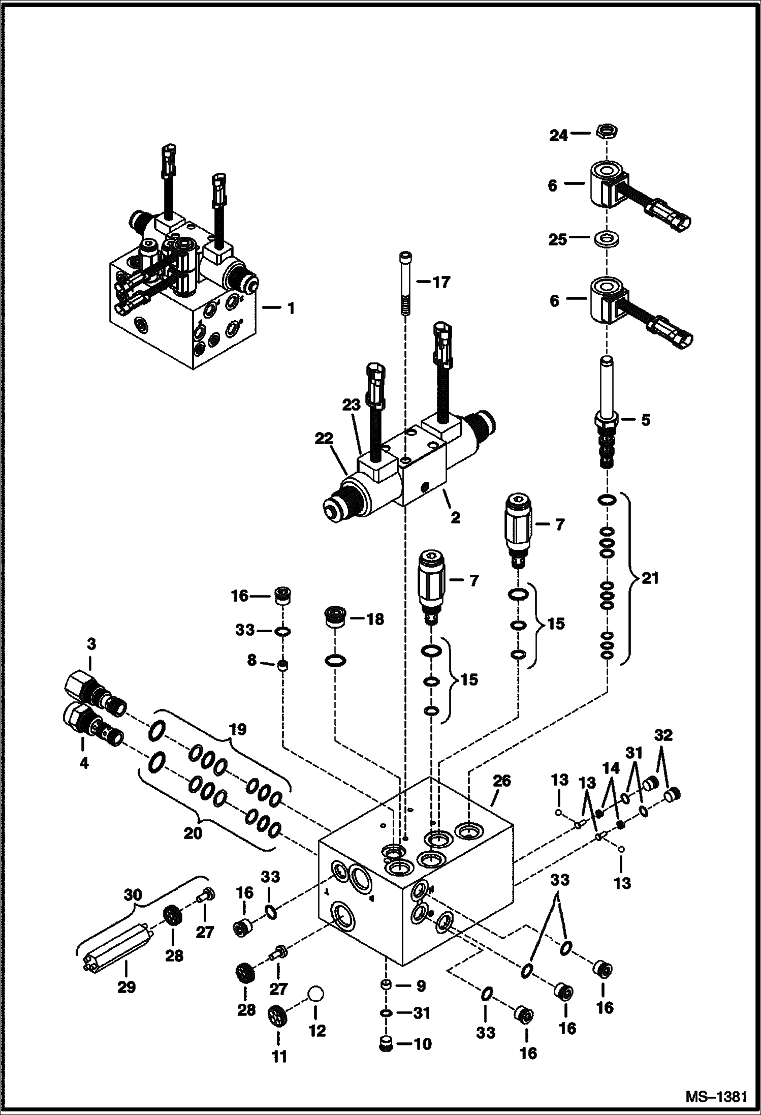
1

6678968

VALVE, BACKHOE W/Ref. 2-26

2

6680329

VALVE control

2

6676319

SEAL KIT for sealing between Ref. 2 & Ref. 26

3

6680330

SPOOL, PILOT

4

VALVE NLA - flow regulator - 2.5 GPM - Order 6685648 - Was 6678565 - A

4

VALVE NLA - flow regulator - 1.5 GPM - undamped - Order 6685648 - Was 6684384 - A

4

6685648

FLOW REGULATOR flow regulator - 1.5 GPM - damped

5

6677153

SOLENOID control

6

6671025

COIL

7

6678838

VALVE relief

8

6680331

VALVE

9

6669615

ORIFICE Order Ref. 31

10

6665719

PLUG W/Ref. 31

11

RETAINER NLA - Order Ref. 27 & 28 - Was 6680332 - A

12

BALL NLA - Order Ref. 27 & 28 - Was 6680333 - A

13

BALL NLA - Order 668560 & poppet & 6688561 plug - Was 6678705 - A

13

6688560

POPPET

14

6680334

SPRING

15

6672515

KIT, SEAL

16

6669620

PLUG W/Ref. 33

17

6674545

BOLT 1.25'' (31.75 mm) long

17

6691641

BOLT 1.75'' (44.45 mm) long

18

6674548

PLUG

19

6667181

SEAL KIT

20

6678566

SEAL KIT

21

6672756

KIT, SEAL

22

6676320

CAP

23

6676321

COIL

24

6676246

NUT

25

6678711

SPACER

26

6680328

BLOCK

27

6685073

POPPET

28

6685074

RETAINER

29

6685072

TOOL, RETAINER retainer removal

30

6685075

POPPET ASSY KIT W/Ref. 27-29

31

O RING 10 NSS - Order Ref. 10 - Was 79K4 - B,D

32

6688561

PLUG poppet guide

33

O-RING NSS - Order Ref. 16

Выбрано товаров: 38