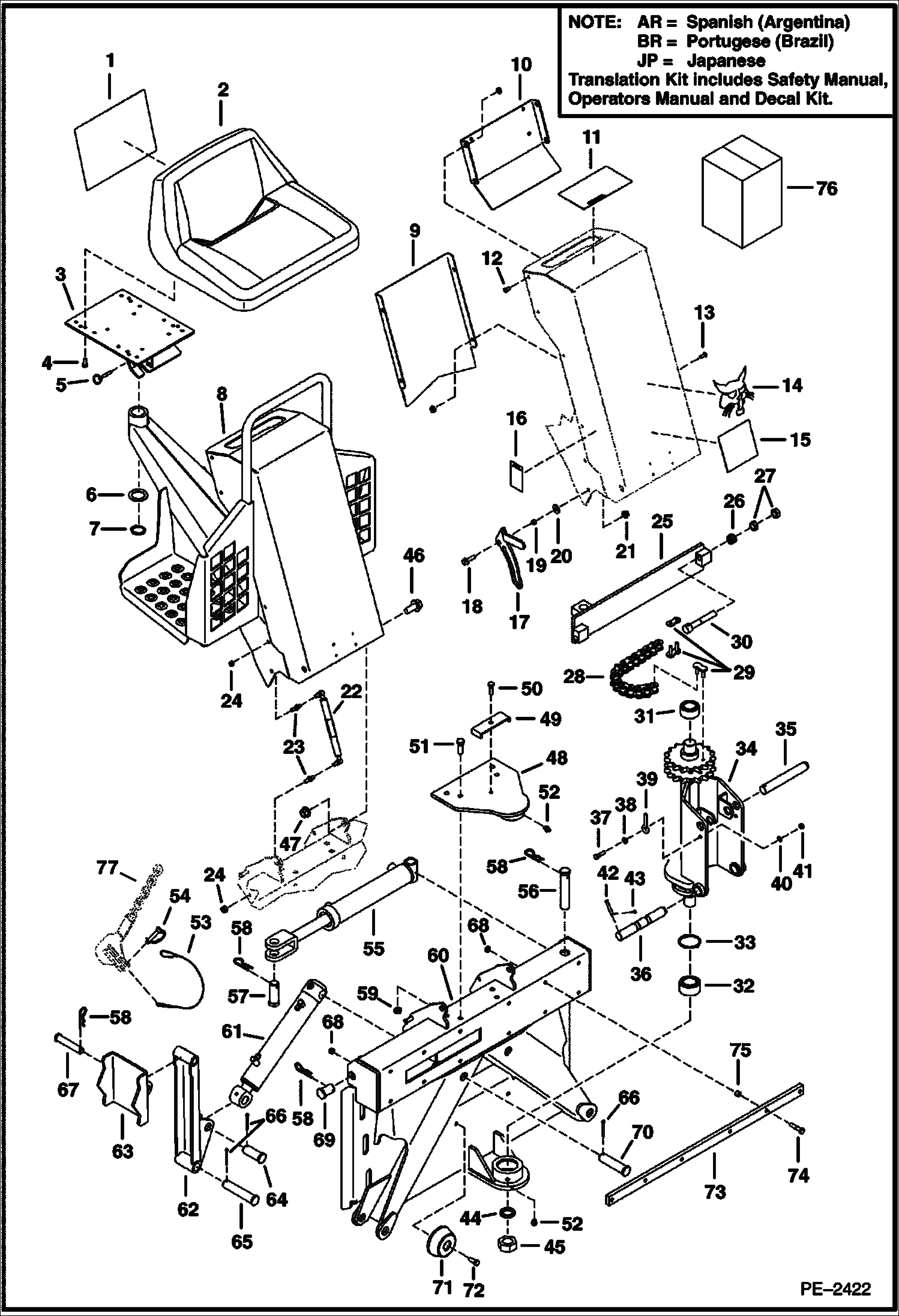
Запчасти Bobcat BACKHOE BACKHOE (Main Frame) (M06) M06 BACKHOE

Схема запчастей Bobcat BACKHOE - BACKHOE (Main Frame) (M06) M06 BACKHOE
FIT
1:1
100%

Артикул

Название

Примечание

Количество

1

7103339

DECAL, WARNING warning

2

6643253

SEAT, OPERATOR VINYL

3

6587384

HINGE, MOUNT SWIVEL

4

17C512

BOLT 5

5

6511880

PIN

6

6558680

WASHER

7

6538285

LOCK RING

8

7101940

FRAME

9

7103177

SHIELD

10

7103178

BRACKET

11

7102861

DECAL, WARNING

12

25G512

SCREW

13

25G410

CAPSCREW

14

6700191

DECAL, LOGO BOBCAT HEAD

15

7166144

DECAL, WARNING warning - Was 6960051 - B

16

7102862

DECAL, LATCH

17

7102186

LATCH

18

35C620

BOLT 5

19

6544654

BUSHING

20

27E6

WASHER 5

21

89D6

NUT

22

7157893

GAS SPRING Was 6682586 - A

23

6686065

BALL STUD

24

59D5

NUT 5

25

6906729

MOUNT

26

6704453

SPRING

27

7D10

NUT

28

6906702

CHAIN

29

6906703

LINK connector

30

6906717

BOLT

31

1307537

BUSHING

32

713418

BUSHING

33

711406

RING

34

6906610

SWING FRAME

35

6554413

PIN

36

6554412

PIN

37

17C520

BOLT 5

38

25E15

WASHER

39

6554414

PIN

40

4E5

WASHER

41

61D5

NUT

42

6512353

CLEVIS PIN

43

1F308

PIN, COTTER

44

6554411

WASHER

45

86D20

NUT

46

31C1024

BOLT

47

83D10

NUT 5

48

7103050

PLATE

49

6594098

CLAMP

50

17C620

BOLT

51

17C824

BOLT 5

52

10H25

FITTING, GREASE 5

53

6683916

CABLE

54

6683918

PIN

55

CYLINDER See Illustration BACKHOE/ B24734 swing

56

6514638

CLEVIS PIN

57

6557920

PIN

58

1320075

PIN, COTTER

59

85D8

NUT, 5

60

6958928

FRAME

61

CYLINDER See Illustration BACKHOE/ B18983 stabilizer

62

6958907

STABILIZER

63

6958963

CLEAT

64

7101409

PIN

65

7101407

PIN

66

1F524

PIN

67

7101410

PIN

68

85D6

NUT, 5

69

7101451

PIN

70

7101408

PIN

71

6562109

STOP, SWING

72

17C616

BOLT 5

73

6554409

BAR

74

17C628

BOLT

75

6512358

SPACER

76

7101481AR

TRANSLATION KIT SEE NOTE

76

7101481BR

TRANSLATION KIT SEE NOTE

76

7101482AR

DECAL KIT SEE NOTE

76

7101482BR

DECAL KIT SEE NOTE

76

7101482JP

DECAL KIT SEE NOTE

77

7102295

CHAIN, LOCK weld-on

Выбрано товаров: 0